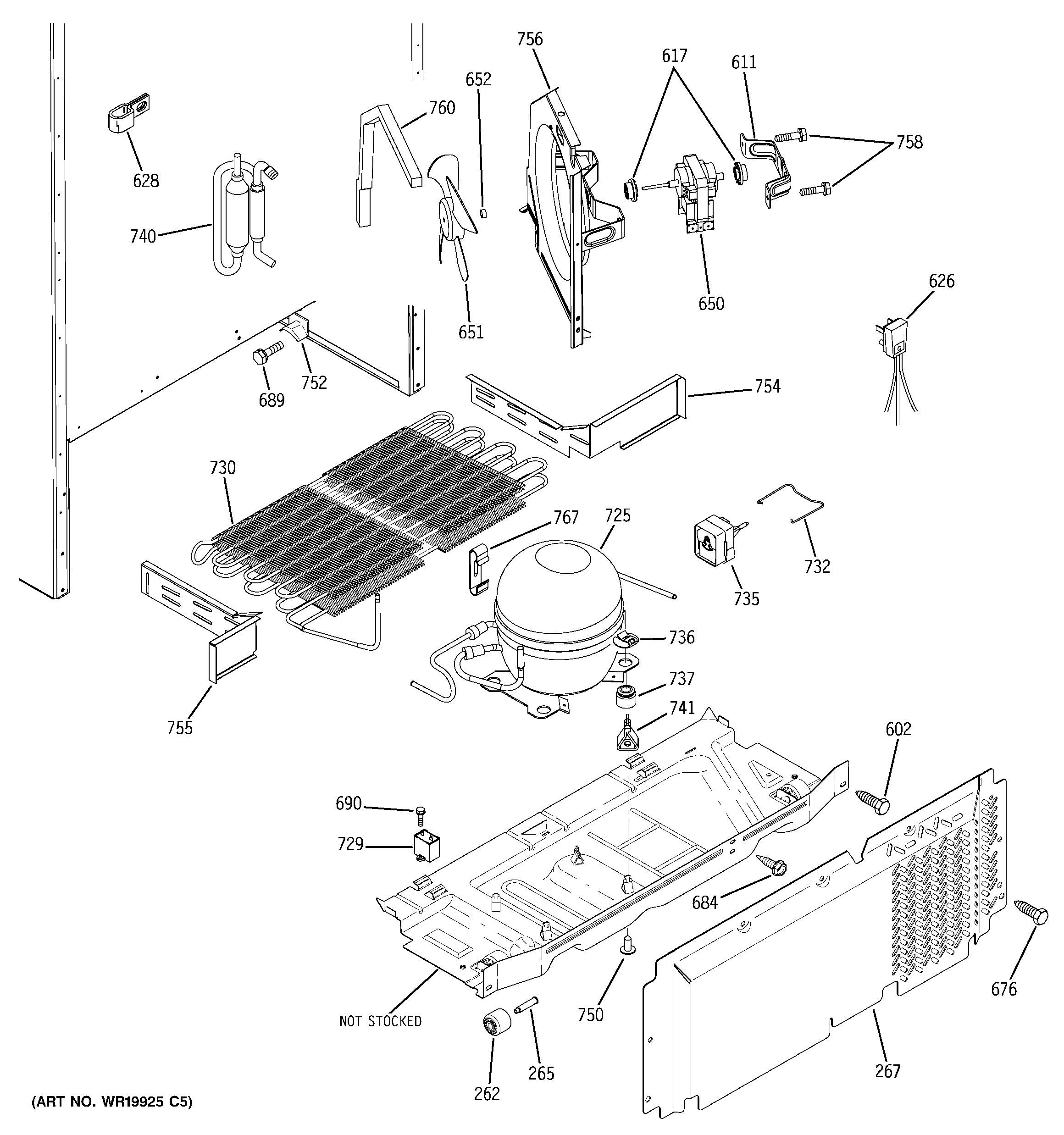
GTH18DBXDRWW UNIT PARTS