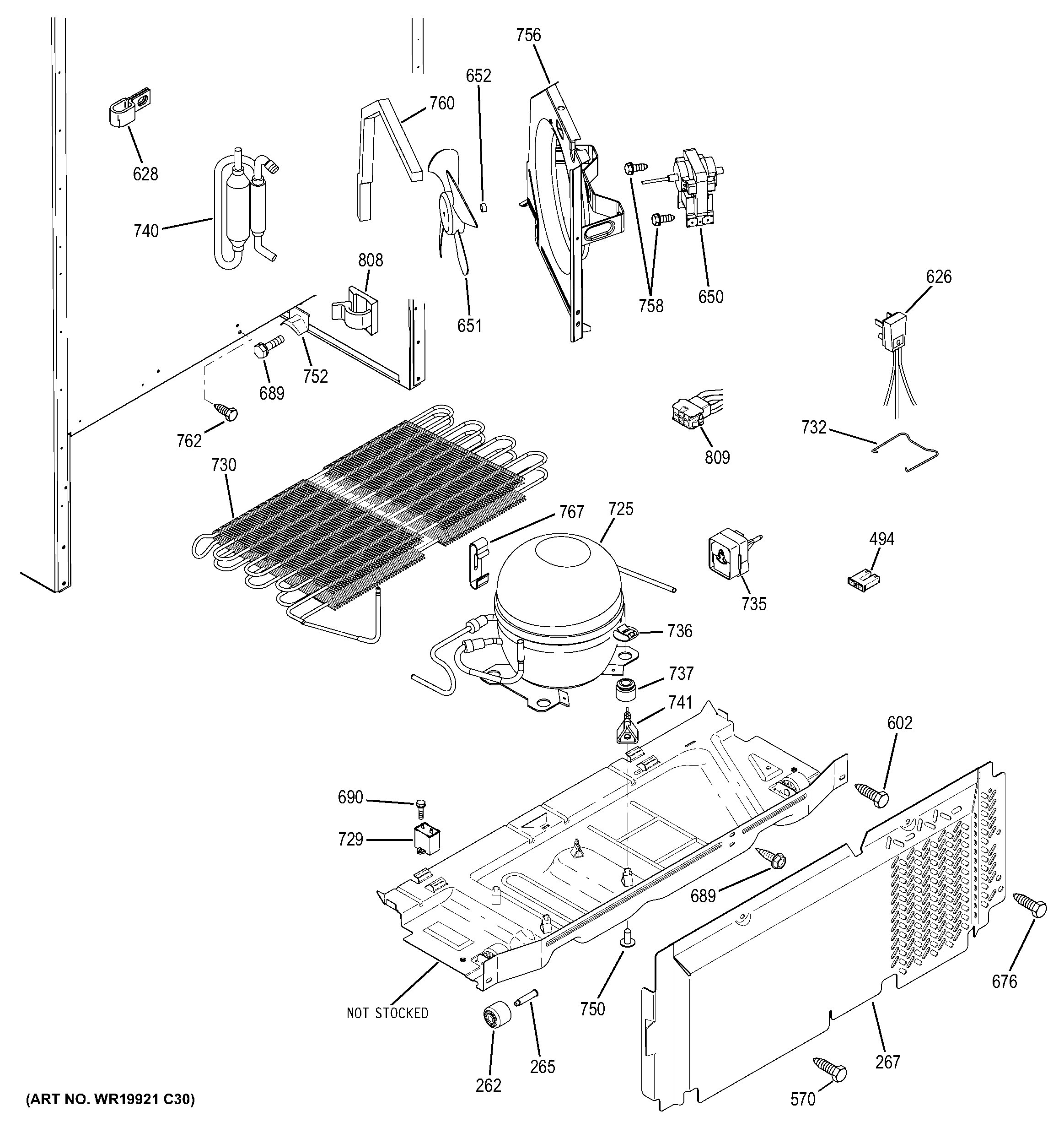
| 262 | GEN WR02X13167 |
| 265 | GEN WR01X10039 |
| 267 | GEN WR82X10113 |
| 494 | WD1X1459 GE Dishwasher Insulation Housing |
| 570 | WR01X10626 GE Refrigerator Screw 8-18 AB HXW 5/4 S |
| 602 | WR1X1591 GE Refrigerator Screw |
| 626 | WR23X10300 GE Refrigerator Power Cord Assembly |
| 628 | WR1X5278 GE Refrigerator Cable Clamp |
| 650 | GEN WR60X10274 |
| 651 | WR60X10207 GE Refrigerator Fan Blade |
| 652 | WR02X12149 GE Refrigerator Ring |
| 676 | WD2X5166 GE Dishwasher Screw |
| 689 | WZ5X246 GE Screw |
| 690 | WZ5X158D GE Screw Package of 12 |
| 725 | WR87X20798 GE Refrigerator High Side Assembly |
| 729 | WR55X24064 GE Refrigerator Run Capacitor |
| 730 | GEN WR84X10053 |
| 732 | WR02X11999 GE Refrigerator Clip Retainer |
| 735 | WR07X10133 GE Refrigerator PTCR Overload Combo |
| 736 | WR2X8583 GE Refrigerator Clip |
| 737 | GEN WR02X7238 |
| 740 | WR86X10095 GE Refrigerator Dryer |
| 741 | WR1X1779 GE Refrigerator Stud Mounting Compressor |
| 750 | WR1X1786 GE Refrigerator Screw |
| 752 | GEN WR17X10317 |
| 756 | GEN WR17X13228 |
| 758 | WR01X10860 GE Refrigerator Screw 8-32 TT HXW 3/8 S |
| 760 | GEN WR14X10081 |
| 762 | WR01X10317 GE Refrigerator Screw 8-32 CA Hex Washer 1/2 |
| 767 | GEN WR02X10712 |
| 808 | WR2X4039 GE Refrigerator Clamp |
| 809 | 6 PIN CON AMP 1-480705-0 |