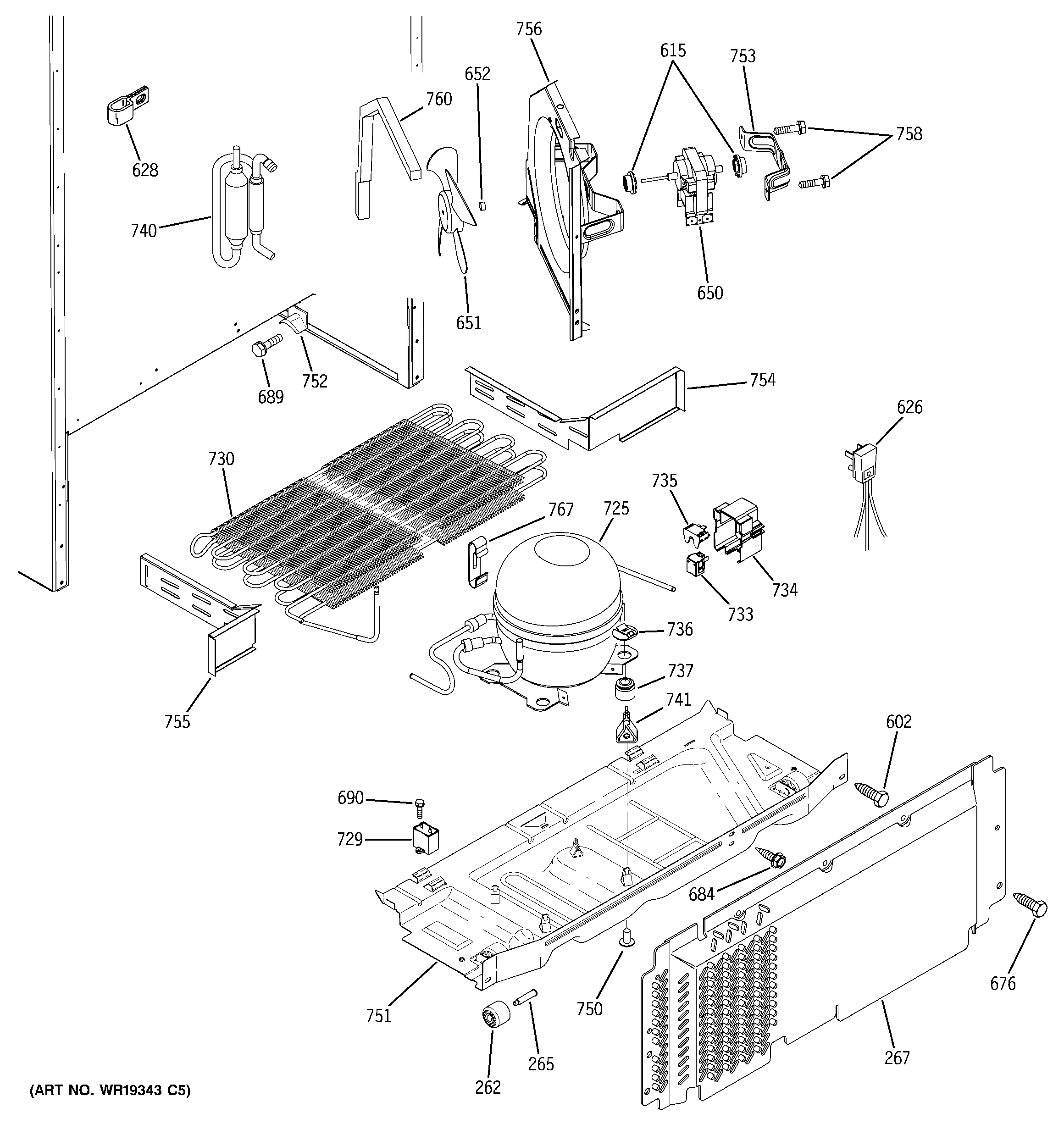
GTH18DCRARBB UNIT PARTS