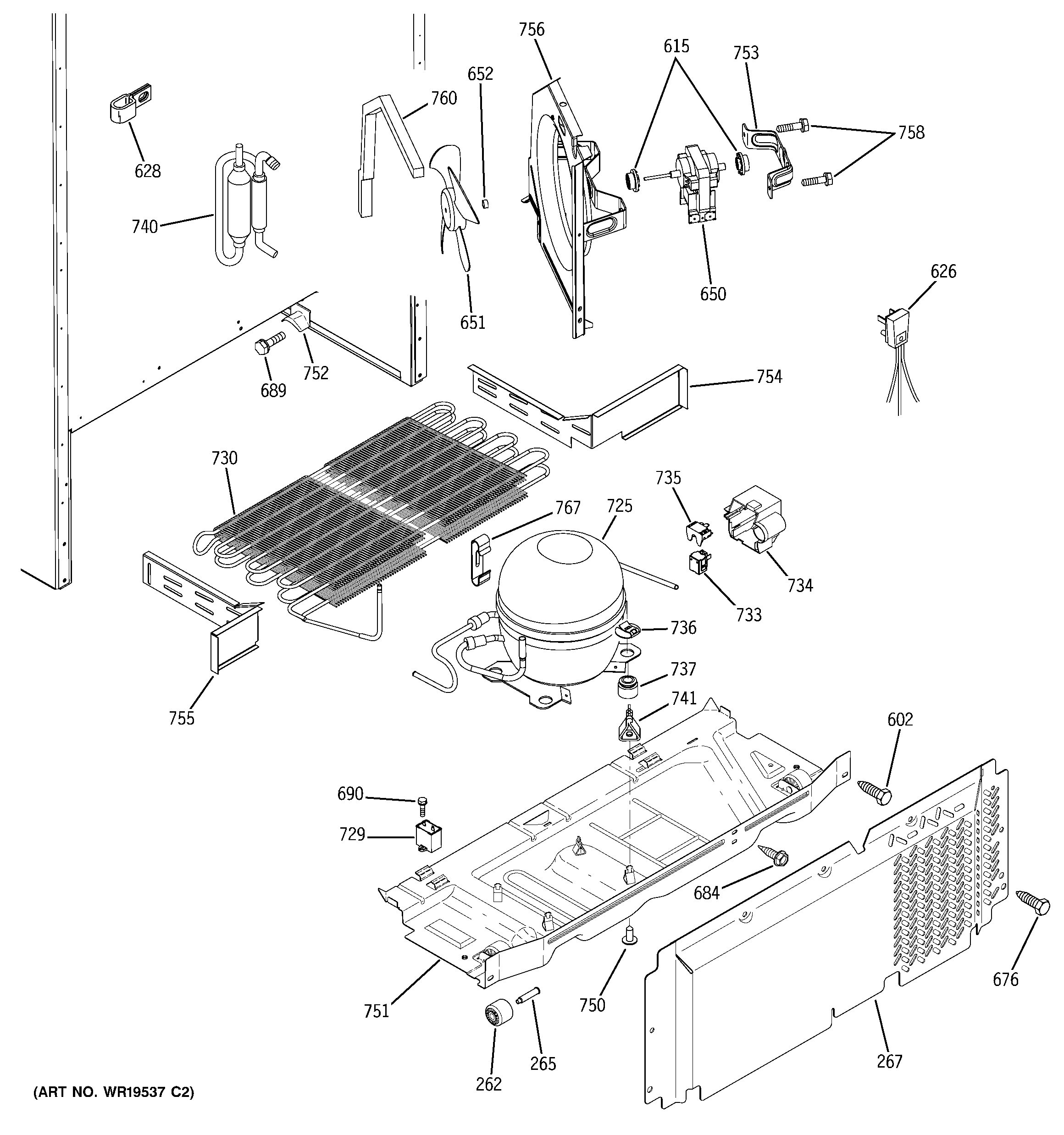
GTH18DCROLCC UNIT PARTS