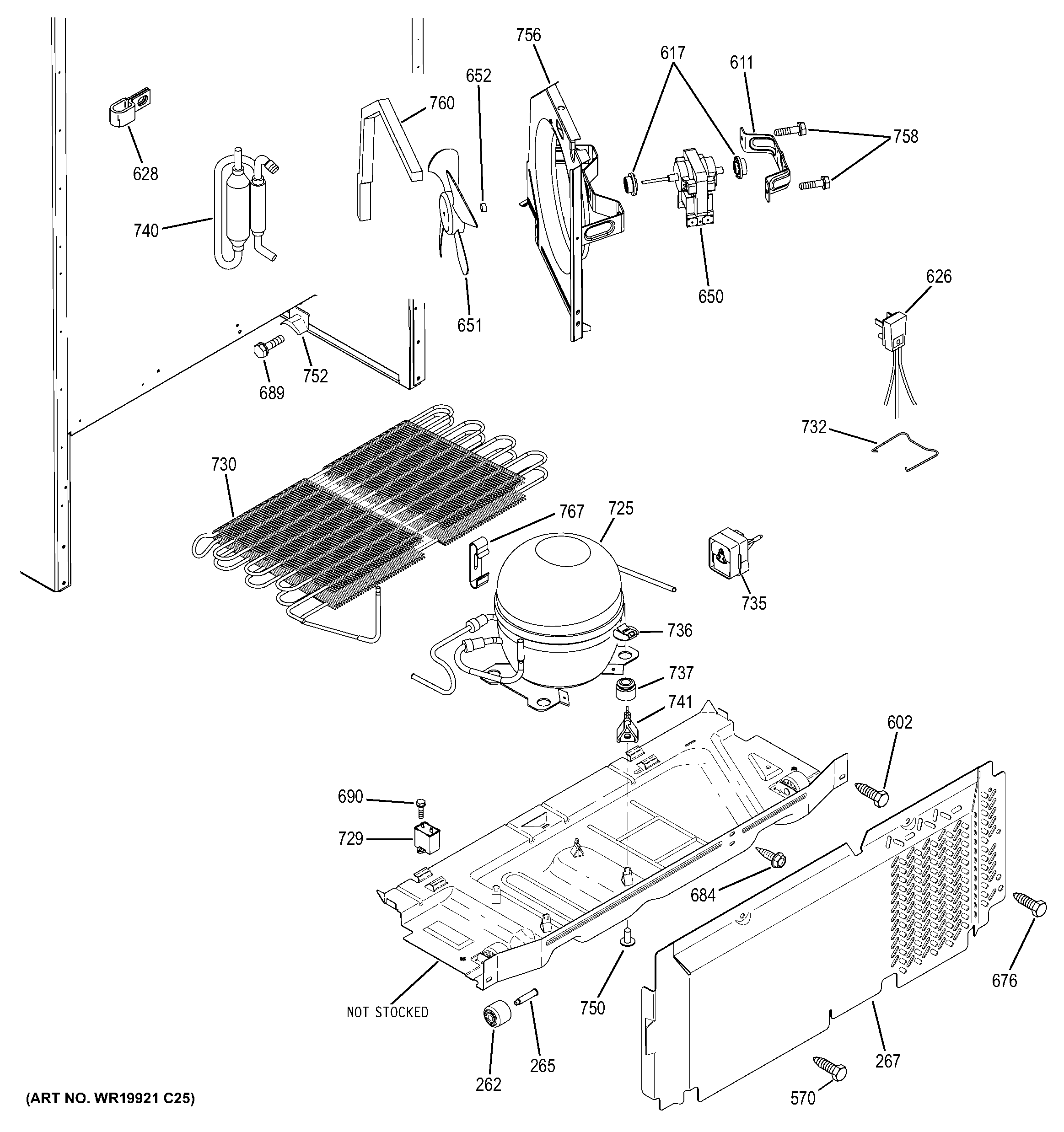
GTH18IBDBRWW UNIT PARTS