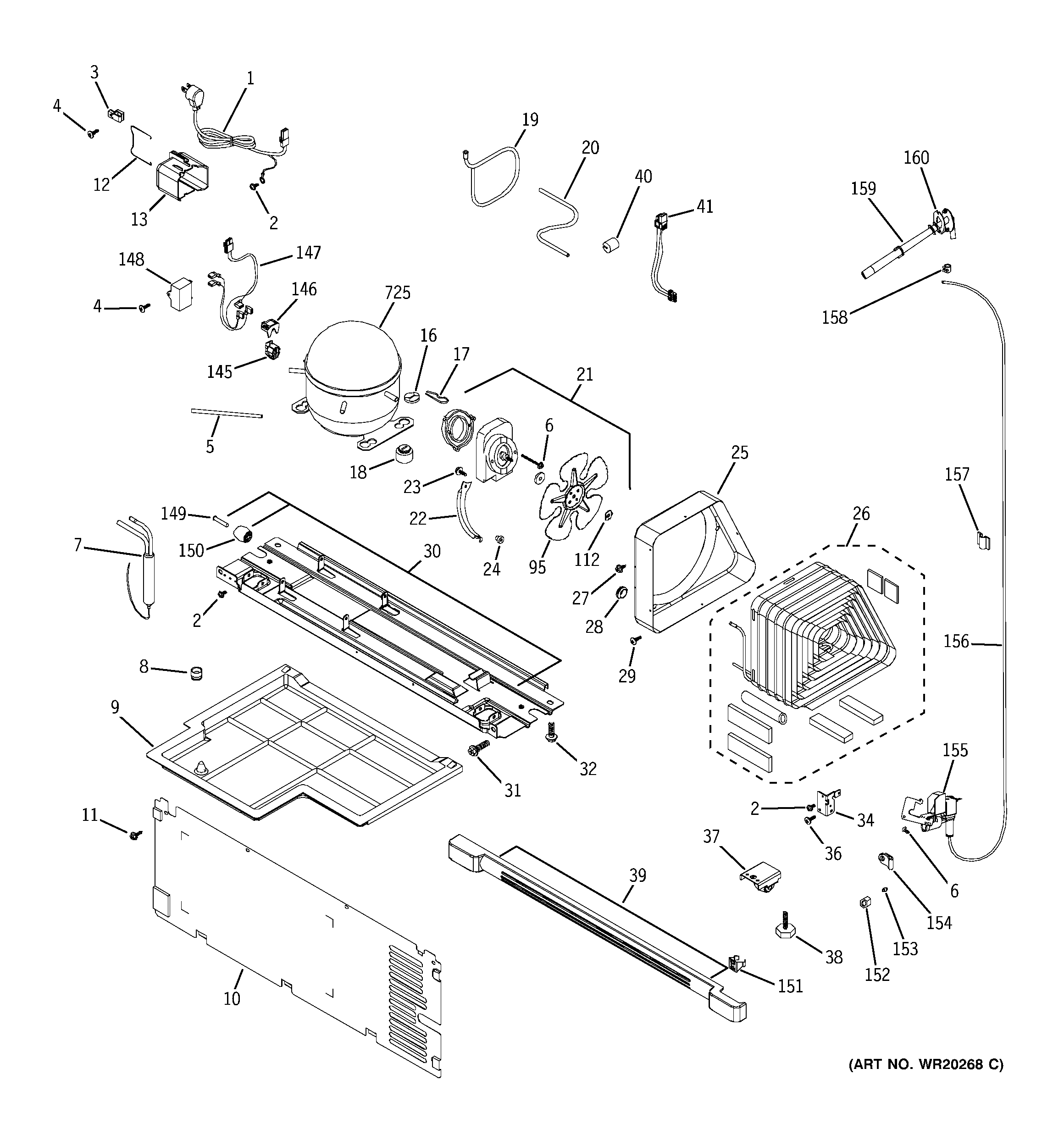
| 1 | POWER CORD ASM |
| 2 | SCREW MACHINE |
| 3 | FIXTURE POWER CORD |
| 4 | SCREW TAPPING |
| 4 | TAPPING SCREW |
| 5 | PIPE SVC |
| 6 | GEN WR01X10732 |
| 7 | DRYER |
| 8 | GEN WR02X12524 |
| 9 | CASE VAPORI |
| 10 | GRILLE |
| 11 | GEN 7112401211 |
| 12 | GEN WR02X12496 |
| 13 | GEN WR32X10631 |
| 16 | SPECIAL WASHER COMP |
| 17 | SPRING WASHER COMP |
| 18 | ABSORBER COMP |
| 19 | PIPE SUC CONN |
| 20 | PIPE CONN DEL |
| 21 | MOTOR C ASM |
| 22 | FRAME MOTOR C |
| 23 | WR01X10707 GE Special C Motor Bolt |
| 24 | ABSORBER C FAN MOTOR |
| 25 | GEN WR02X12521 |
| 26 | GEN WR84X10084 |
| 27 | SPECIAL WICON BOLT |
| 28 | BUSHING PIPE |
| 29 | GEN 7112400811 |
| 30 | BASE COMP SAS |
| 31 | SPECIAL BOLT |
| 32 | SPECIAL BOLT |
| 34 | BRACKET VALVE |
| 36 | GEN 7122401211 |
| 37 | CASTER FZ ASM |
| 38 | FOOT ADJUST ASM |
| 39 | GEN WR32X10643 |
| 39 | WR32X10635 GE Refrigerator Cover CAB Bracket Assembly |
| 40 | ABSORBER PIPE B |
| 41 | GEN WR23X10561 |
| 95 | GEN WR02X12498 |
| 112 | GEN WR01X10695 |
| 145 | GEN WR07X10100 |
| 146 | GEN WR07X10101 |
| 147 | HARNESS P RELAY ASM |
| 148 | GEN WR62X10062 |
| 149 | SHAFT CASTR |
| 150 | WR02X12541 GE Refrigerator Caster |
| 151 | SPRING CAB BRKT COVR |
| 155 | WR57X10033 GE Refrigerator Water Inlet Fill Valve |
| 156 | HOSE WATER |
| 157 | GUIDE WATER HOSE |
| 158 | CLAMP WATER HOSE |
| 159 | TUBE WATER FILL |
| 160 | SEAL TUBE WATER FILL |
| 725 | WR87X20798 GE Refrigerator High Side Assembly |