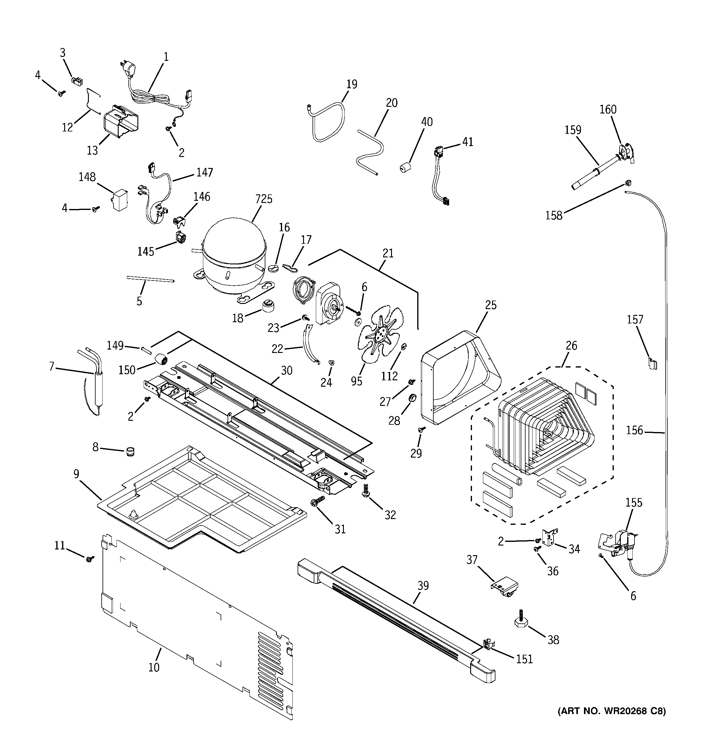
GTH21SCXASS MACHINE COMPARTMENT