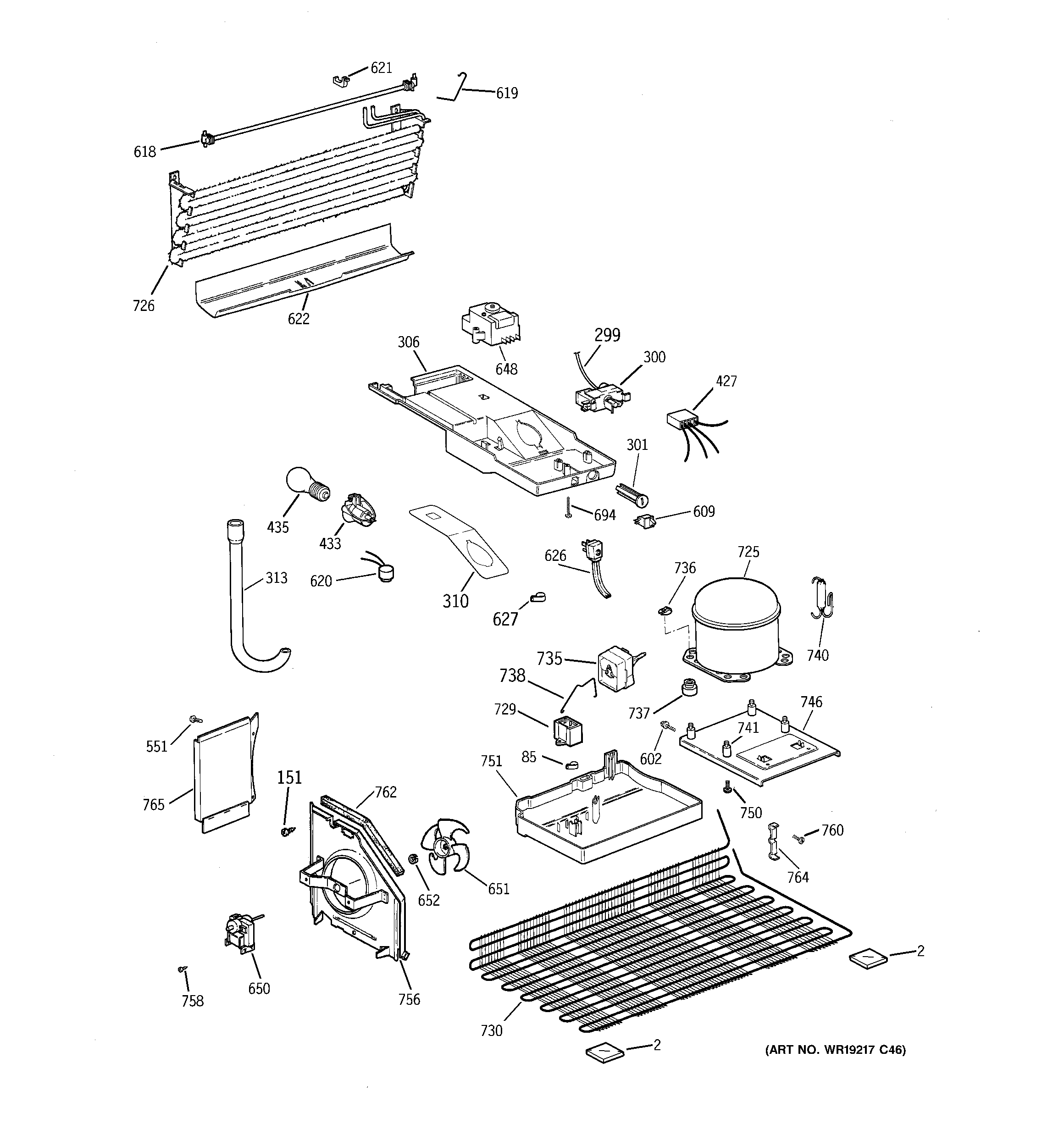
GTR18BBSDRWW UNIT PARTS

GTR18BBSDRWW UNIT PARTS

Products

PositionProduct
2GEN WR02X10534
85GEN WR01X2008
151WR01X10588 GE Refrigerator Screw 8-18 AB IHXW 9/16 S
299WR2X8344 GE Refrigerator Vinyl Sleeve
300CONTROL TEMP
301WR02X13355 GE Control Knob
306WR17X12852 GE Refrigerator Control Housing
310GEN WR02X11597
313GEN WR17X10684
427GEN WR23X10502
433WR02X10591 GE Light Socket and Terminal
435RANGE ONLY 40W 120V APPL BULB
551WR01X10789 GE Refrigerator Stainless Steel Screw 8-18 RNDW 5/8
602WR1X1591 GE Refrigerator Screw
609WR23X37285 GE Light Switch
618WR51X10038 GE Refrigerator Defrost Heater Assembly
619GEN WR51X10102
620WR50X10073 GE Refrigerator Defrost Bi-metal Thermostat
621WR02X10518 GE Refrigerator Element Holder
622GEN WR17X11657
626WR23X10300 GE Refrigerator Power Cord Assembly
627WR1X5278 GE Refrigerator Cable Clamp
648WR9X502 GE Refrigerator Defrost Timer
650MOTOR COND FAN
651WR60X10207 GE Refrigerator Fan Blade
652WR02X12149 GE Refrigerator Ring
694GEN WR01X1792
725WR87X10224 GE Refrigerator Compressor Kit EGYS60
726WR87X28948 GE Refrigerator Evaporator
729WR55X24064 GE Refrigerator Run Capacitor
730GEN WR84X10077
735WR09X10107 GE Refrigerator PTC Overload 5SP
736WR2X8583 GE Refrigerator Clip
737GEN WR02X7238
738WR02X11999 GE Refrigerator Clip Retainer
740WR86X25269 GE Refrigerator R134 Dryer
741WR1X1779 GE Refrigerator Stud Mounting Compressor
746GEN WR17X10195
750WR1X1786 GE Refrigerator Screw
751GEN WR32X10455
756GEN WR17X12210
758WR01X10860 GE Refrigerator Screw 8-32 TT HXW 3/8 S
760WR01X10317 GE Refrigerator Screw 8-32 CA Hex Washer 1/2
762GEN WR14X0313
764WR2X9000 GE Refrigerator Condenser Clip
765GEN WR17X10463