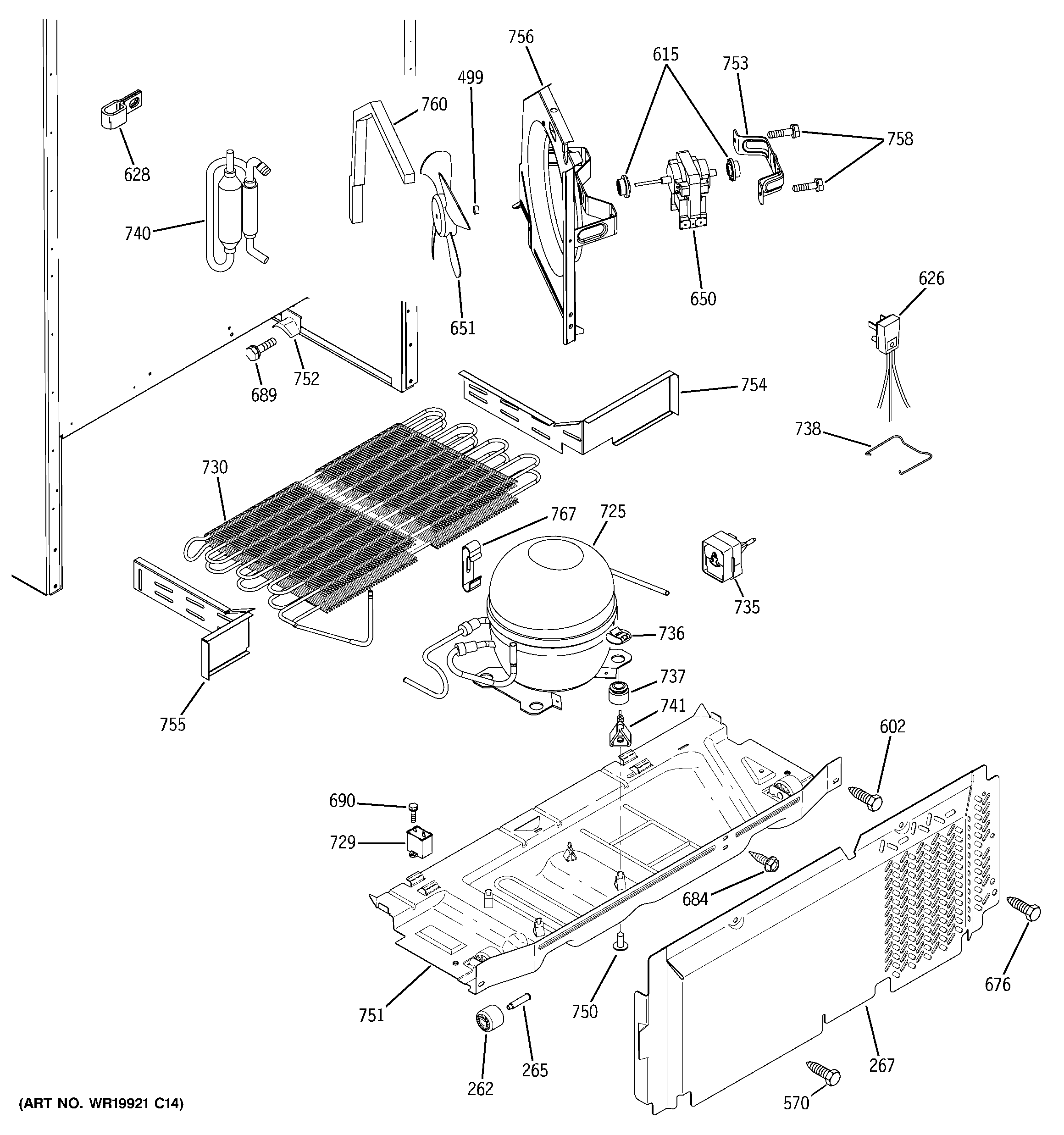
GTS18ICSURCC UNIT PARTS