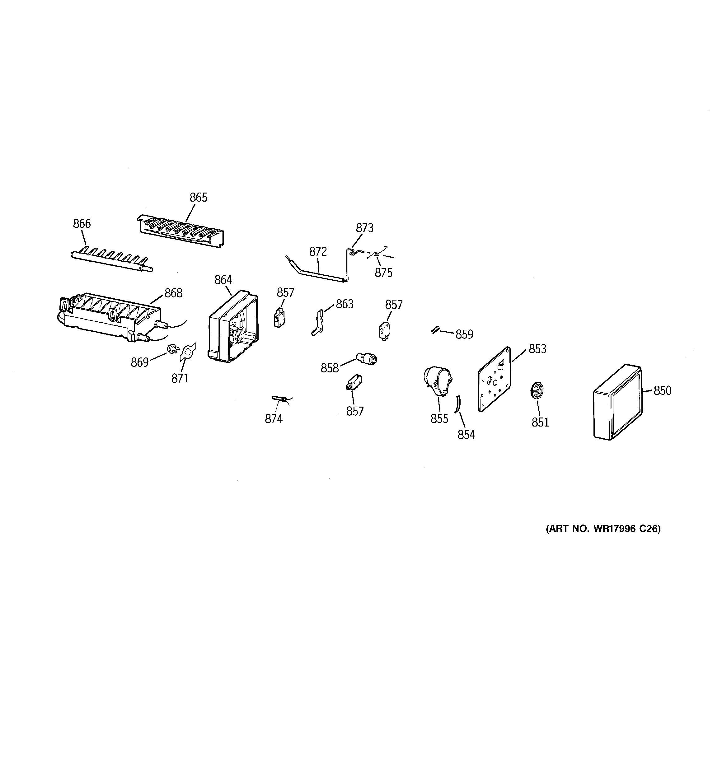
GTS18KHPARCC ICE MAKER