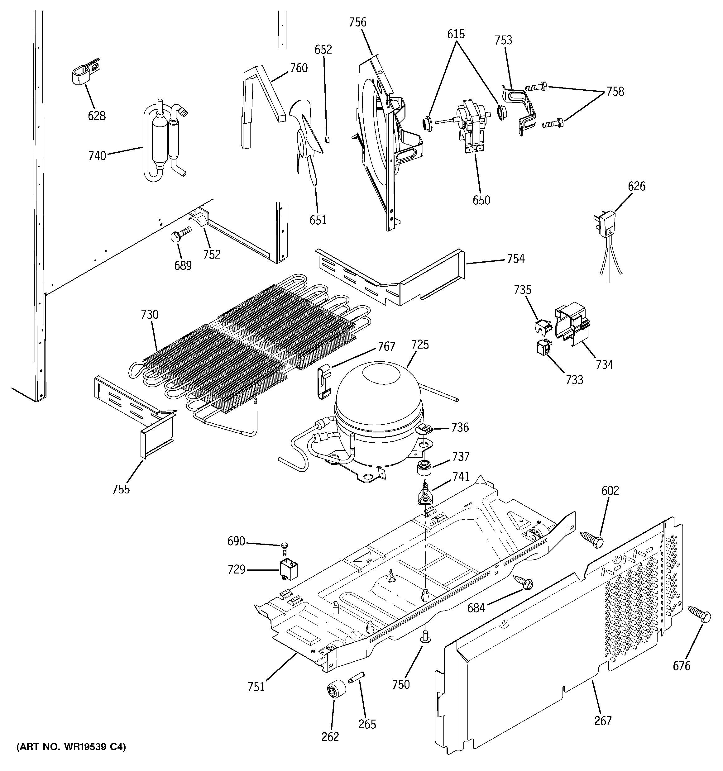
GTS18KHPLRCC UNIT PARTS