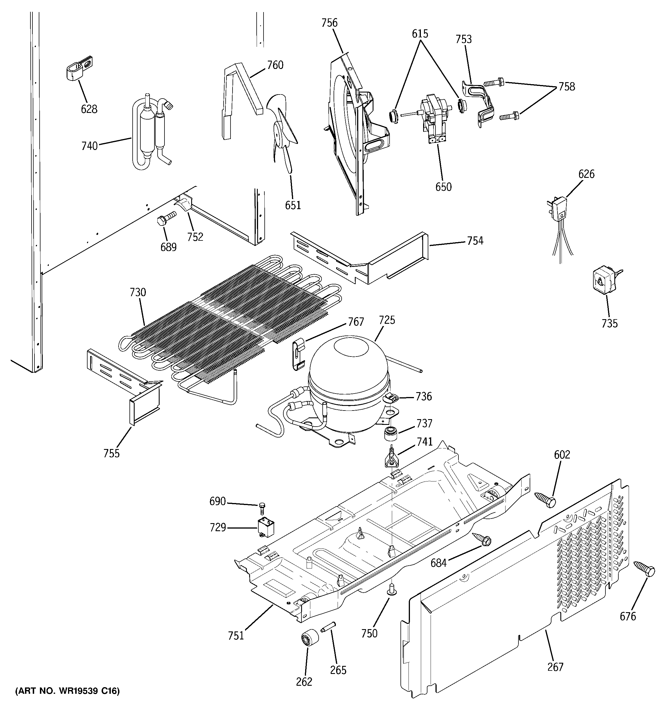
GTS18KHPPRBB UNIT PARTS