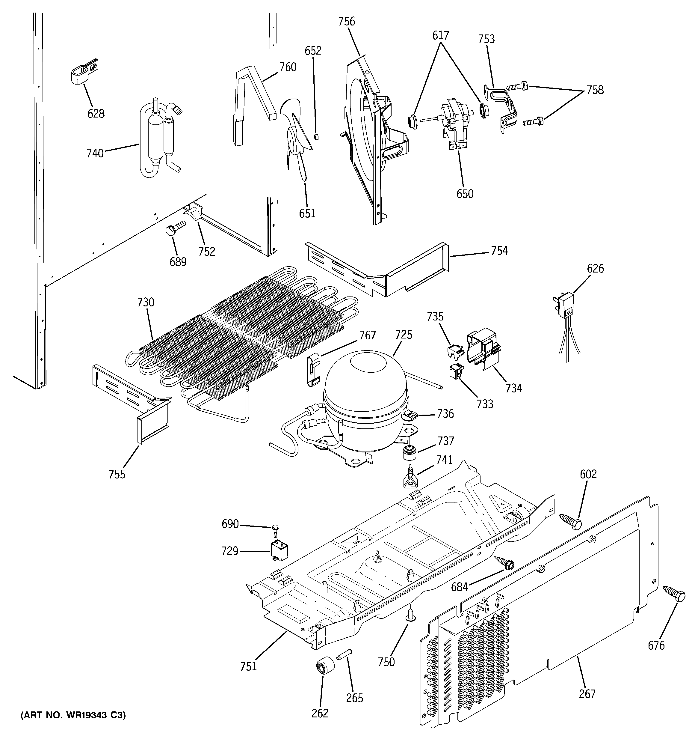
GTS18SBPBRBS UNIT PARTS