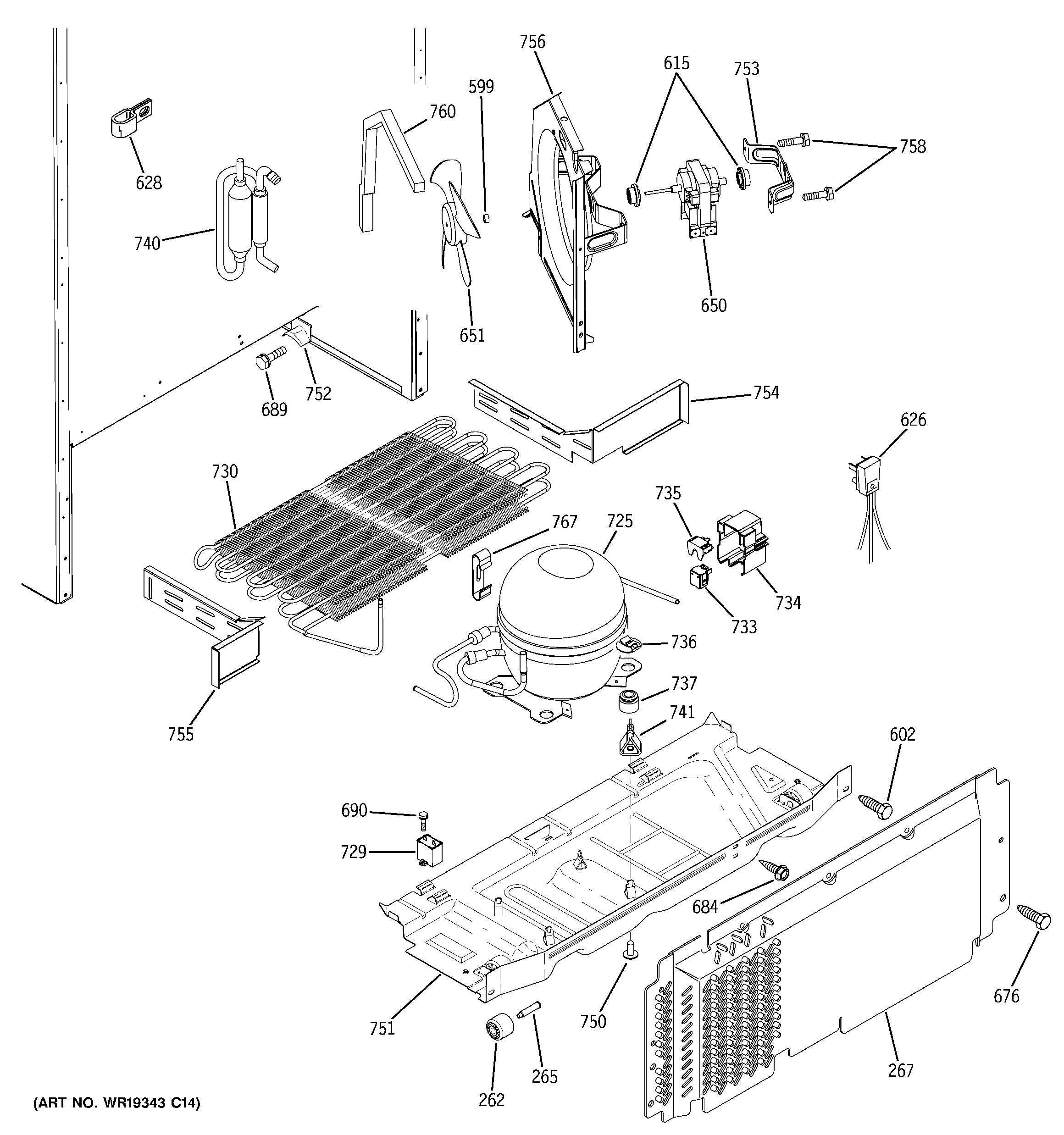
GTS18SHSLRSS UNIT PARTS