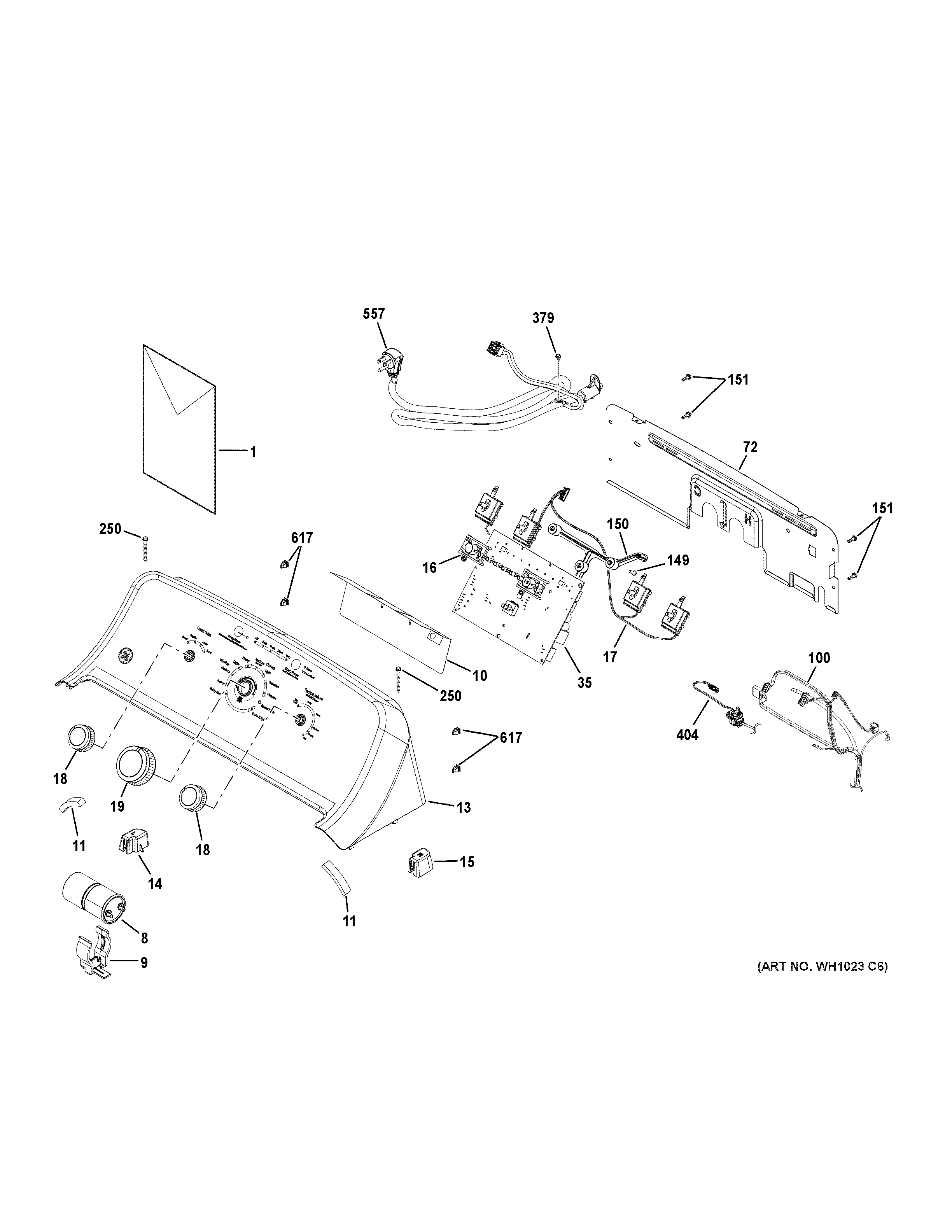
GTW220ACK4WW CONTROLS & BACKSPLASHadmin2025-04-26T10:23:00+00:00GTW220ACK4WW CONTROLS & BACKSPLASH ProductsPositionProduct1PM MINI MANUAL AND WIRING1PM INSTALLATION SUPPLEME1PM MANUAL USE AND CARE1PM QUICK REFERENCE GUIDE8WH12X27614 GE Capacitor Bracket Kit10WH01X24396 GE Control Board Shield11WH08X24099 GE Backsplash Foam Seal13WH42X28264 GE Backsplash Assembly14WH16X24476 GE Washer Right Backsplash Support15WH16X24477 GE Left Backsplash Support16WH01X24376 GE Washer Button17WH04X29307 GE Selector Switch18KNOB ROTARY (HOTPOINT)19WH01X25355 GE Main Knob35MAIN CONTROL BOARD W/INSTRUCTI72WH10X28194 GE Rear Control Panel100WH19X25299 GE Washer Main Harness149WR01X10196 GE Refrigerator Screw 8-18 HID02150WH16X24375 GE Bracket Printed Circuit Board151WH02X10126 GE Screw 8-18 B 1HW 1/2 SN250WR01X10634 GE Refrigerator Screw 8-18 AB 13/4 S HXW379WE02X10107 GE Screw 10-32 GX HXW 7/16 S404WH19X24141 GE Washer Wire Harness Lid Lock557WH08X28843 GE Power Cord617WR2X8349 GE Screw Grommet