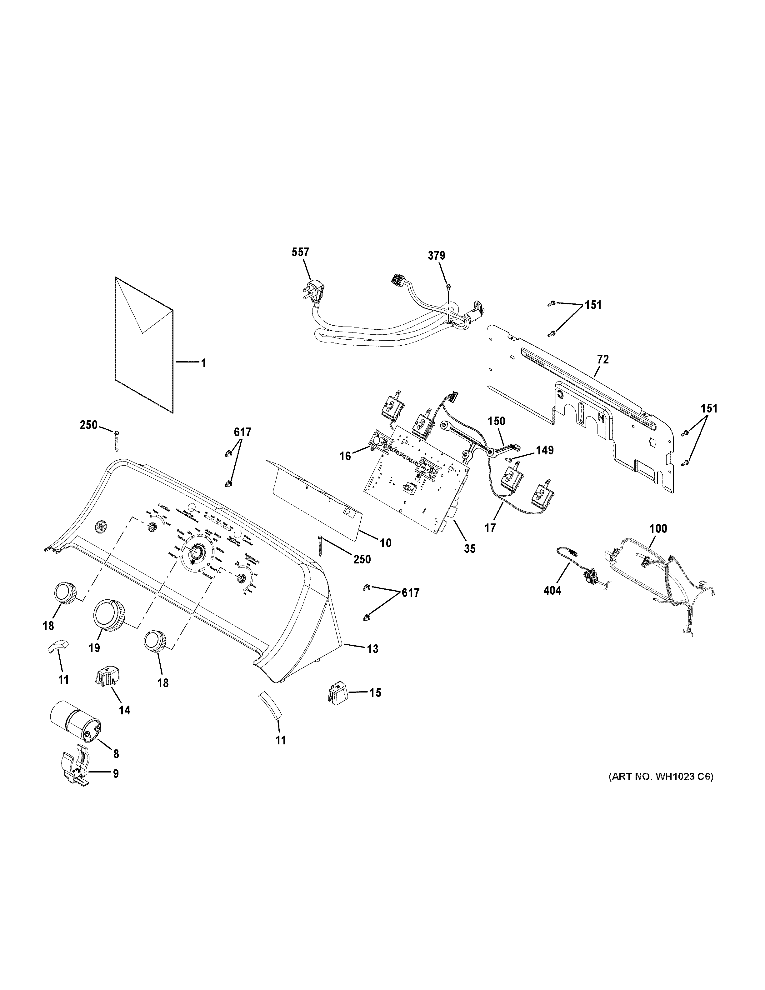
GTW330ASK1WW CONTROLS & BACKSPLASH