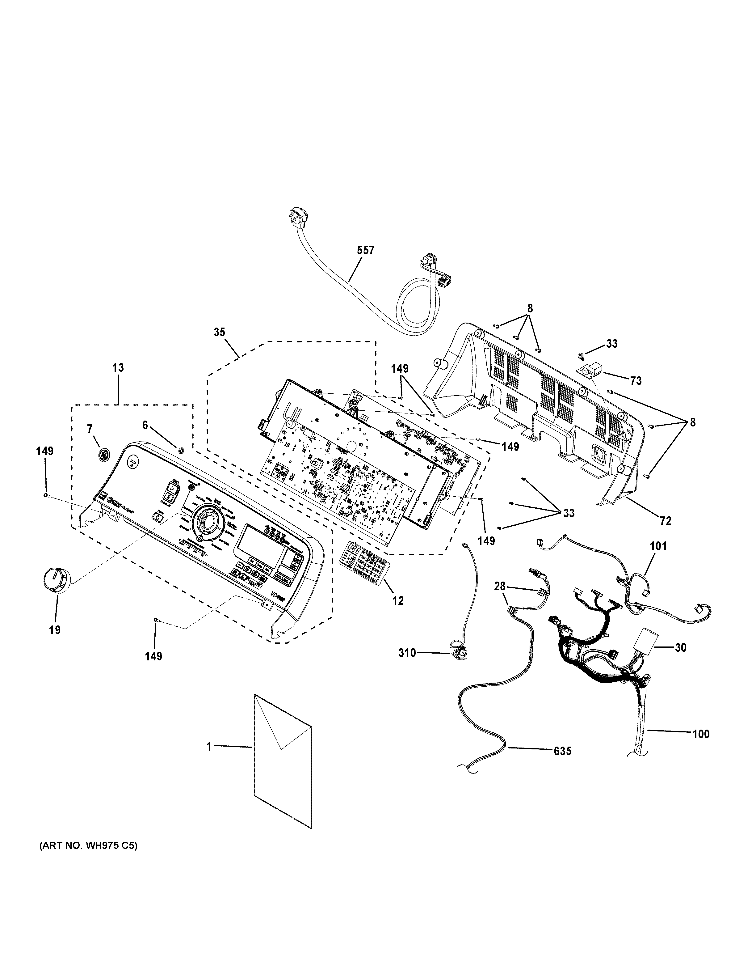
GTW810SPJ0MC CONTROLS & BACKSPLASHadmin2025-04-26T10:17:33+00:00GTW810SPJ0MC CONTROLS & BACKSPLASH ProductsPositionProduct1PM QUICK REF GUIDE1PM OWNERS MANUAL1PM SHEET MANUAL1PM INSTALLATION GUIDE6GEN WH01X107117WE19M10949 GE Badge8WR01X10196 GE Refrigerator Screw 8-18 HID0212WH12X23934 GE Foam Light Guide Assembly13BACKSPLASH BODY ASM19KNOB ASM28WH01X10709 GE Wire Tie30WH12X10408 GE Power Line Filter33GEN WH02X1038135WH12X25674 GE Dishwasher Control and Firmware Assembly72REAR COVER LABEL ASM73GEN WH12X10557100HARNESS MAIN GREEN101GEN WH19X10118310GEN WH12X10568557WH19X22987 GE Power Cord Assembly Flat635GEN WH19X10107