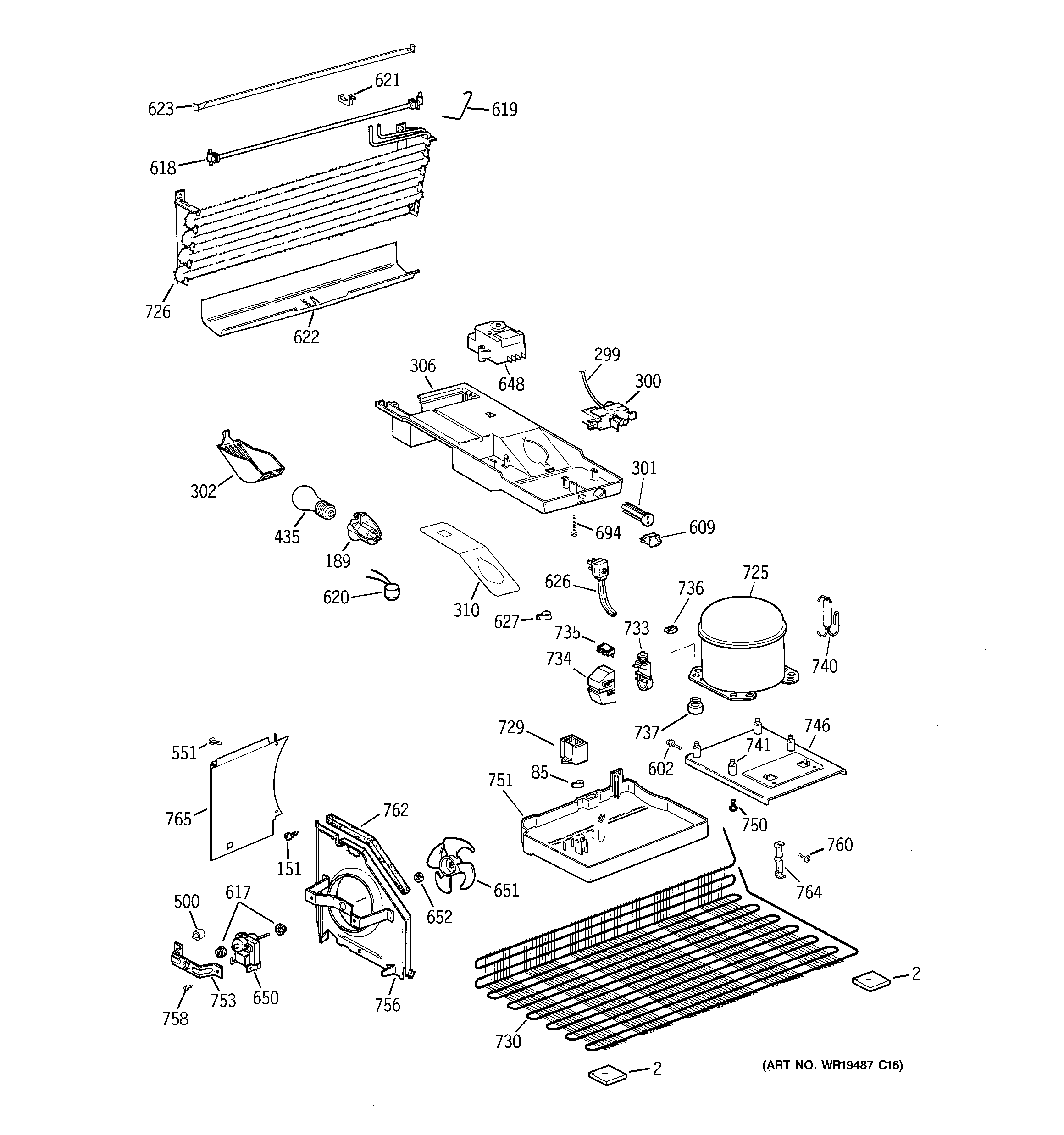
| 2 | GEN WR02X10534 |
| 85 | GEN WR01X2008 |
| 151 | WR01X10588 GE Refrigerator Screw 8-18 AB IHXW 9/16 S |
| 189 | WR2X9014 GE Refrigerator Socket & Terminal C02 |
| 299 | WR2X8344 GE Refrigerator Vinyl Sleeve |
| 300 | CONTROL TEMP |
| 301 | GEN WR02X12202 |
| 302 | GEN WR02X9318 |
| 306 | GEN WR17X11919 |
| 310 | GEN WR02X11597 |
| 435 | WR02X12207 GE Refrigerator Net Bulb Light |
| 500 | BUMPER |
| 551 | WR01X10789 GE Refrigerator Stainless Steel Screw 8-18 RNDW 5/8 |
| 602 | WR01X10617 GE Refrigerator Screw 1/4-14 AB IHW 3/4 S |
| 609 | WR23X37285 GE Light Switch |
| 617 | GROMMET EVAP |
| 618 | GEN WR02X10542 |
| 619 | GEN WR51X10102 |
| 620 | WR50X10073 GE Refrigerator Defrost Bi-metal Thermostat |
| 621 | WR02X10518 GE Refrigerator Element Holder |
| 622 | GEN WR17X11657 |
| 623 | GEN WR17X13021 |
| 626 | WR23X10300 GE Refrigerator Power Cord Assembly |
| 627 | GEN WR01X1930 |
| 648 | GEN WR09X10182 |
| 650 | GEN WR60X10322 |
| 651 | WR60X24484 GE Refrigerator Condenser Fan Blade |
| 652 | WR02X12149 GE Refrigerator Ring |
| 694 | GEN WR01X1792 |
| 725 | GEN WR87X10104 |
| 726 | GEN WR85X10021 |
| 729 | WR62X10013 GE Refrigerator Capacitor |
| 730 | GEN WR84X10077 |
| 733 | GEN WR07X10114 |
| 734 | GEN WR02X13160 |
| 735 | GEN WR08X10103 |
| 736 | WR2X8583 GE Refrigerator Clip |
| 737 | GEN WR02X7238 |
| 740 | WR86X25269 GE Refrigerator R134 Dryer |
| 741 | WR1X1779 GE Refrigerator Stud Mounting Compressor |
| 746 | GEN WR17X10195 |
| 750 | WR1X1786 GE Refrigerator Screw |
| 751 | GEN WR32X10455 |
| 753 | WR02X11863 GE Refrigerator Condenser Fan Bracket (Mounting) |
| 756 | GEN WR17X11535 |
| 758 | WR01X10649 GE Refrigerator Screw 8-10 PL PNP 1/2 S |
| 760 | GEN WR01X10641 |
| 762 | GEN WR14X0313 |
| 764 | WR2X9000 GE Refrigerator Condenser Clip |
| 765 | GEN WR17X10463 |