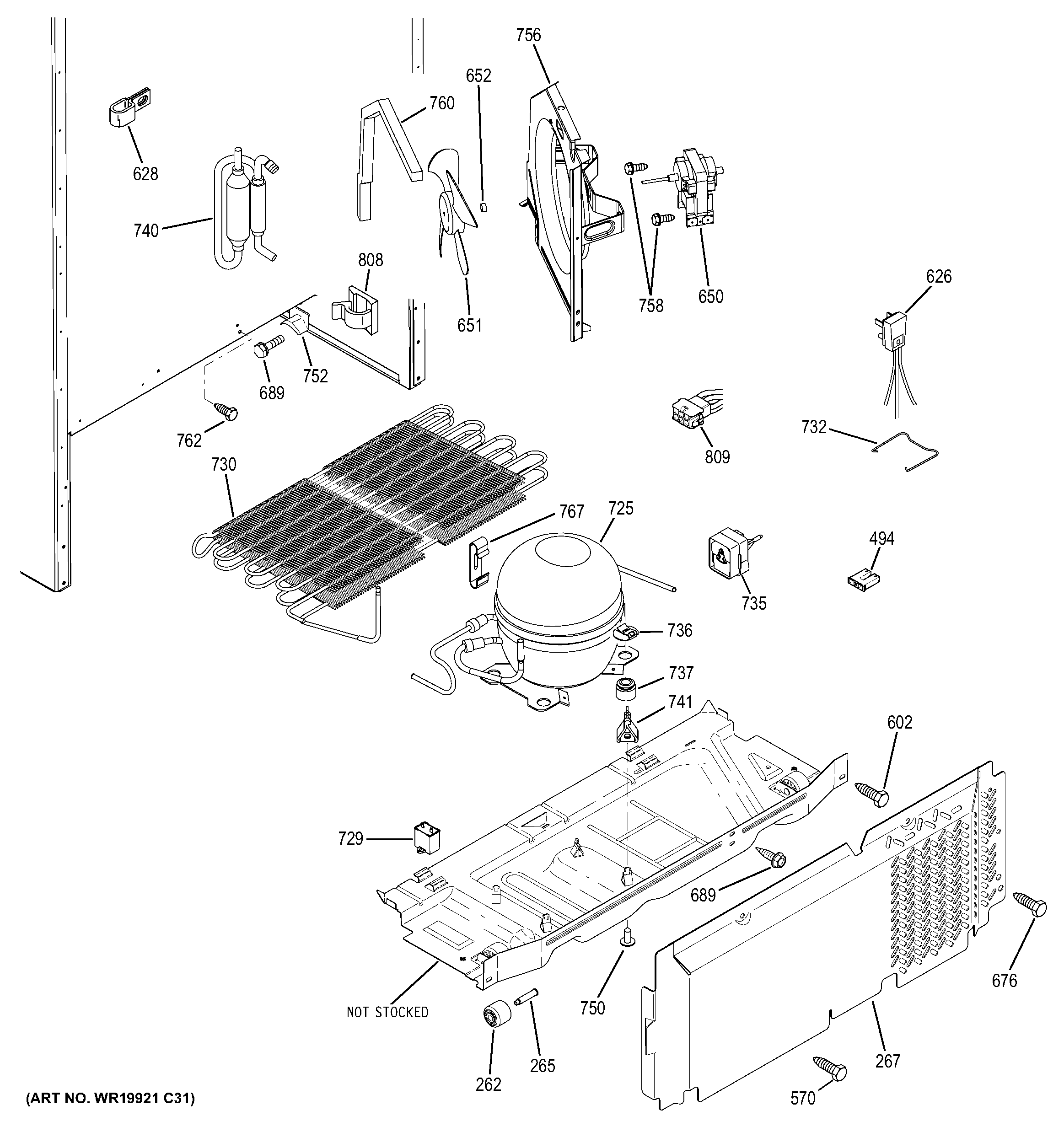
GTZ18ICELRSS MACHINE COMPARTMENTadmin2025-04-26T10:21:38+00:00GTZ18ICELRSS MACHINE COMPARTMENT ProductsPositionProduct262GEN WR02X13167265GEN WR01X10039267GEN WR82X10113494WD1X1459 GE Dishwasher Insulation Housing570WR01X10626 GE Refrigerator Screw 8-18 AB HXW 5/4 S602WR1X1591 GE Refrigerator Screw626WR23X10300 GE Refrigerator Power Cord Assembly628WR1X5278 GE Refrigerator Cable Clamp650GEN WR60X10274651WR60X10207 GE Refrigerator Fan Blade652WR02X12149 GE Refrigerator Ring676WD2X5166 GE Dishwasher Screw689WZ5X246 GE Screw725WR87X10224 GE Refrigerator Compressor Kit EGYS60729WR55X24064 GE Refrigerator Run Capacitor730GEN WR84X10053732WR02X12004 GE Retainer Clip735WR07X10133 GE Refrigerator PTCR Overload Combo736WR2X8583 GE Refrigerator Clip737GEN WR02X7238740WR86X10095 GE Refrigerator Dryer741WR1X1779 GE Refrigerator Stud Mounting Compressor750WR1X1786 GE Refrigerator Screw752GEN WR17X10317756GEN WR17X13228758WR01X10860 GE Refrigerator Screw 8-32 TT HXW 3/8 S760GEN WR14X10081767GEN WR02X10712808WR2X4039 GE Refrigerator Clamp8096 PIN CON AMP 1-480705-0