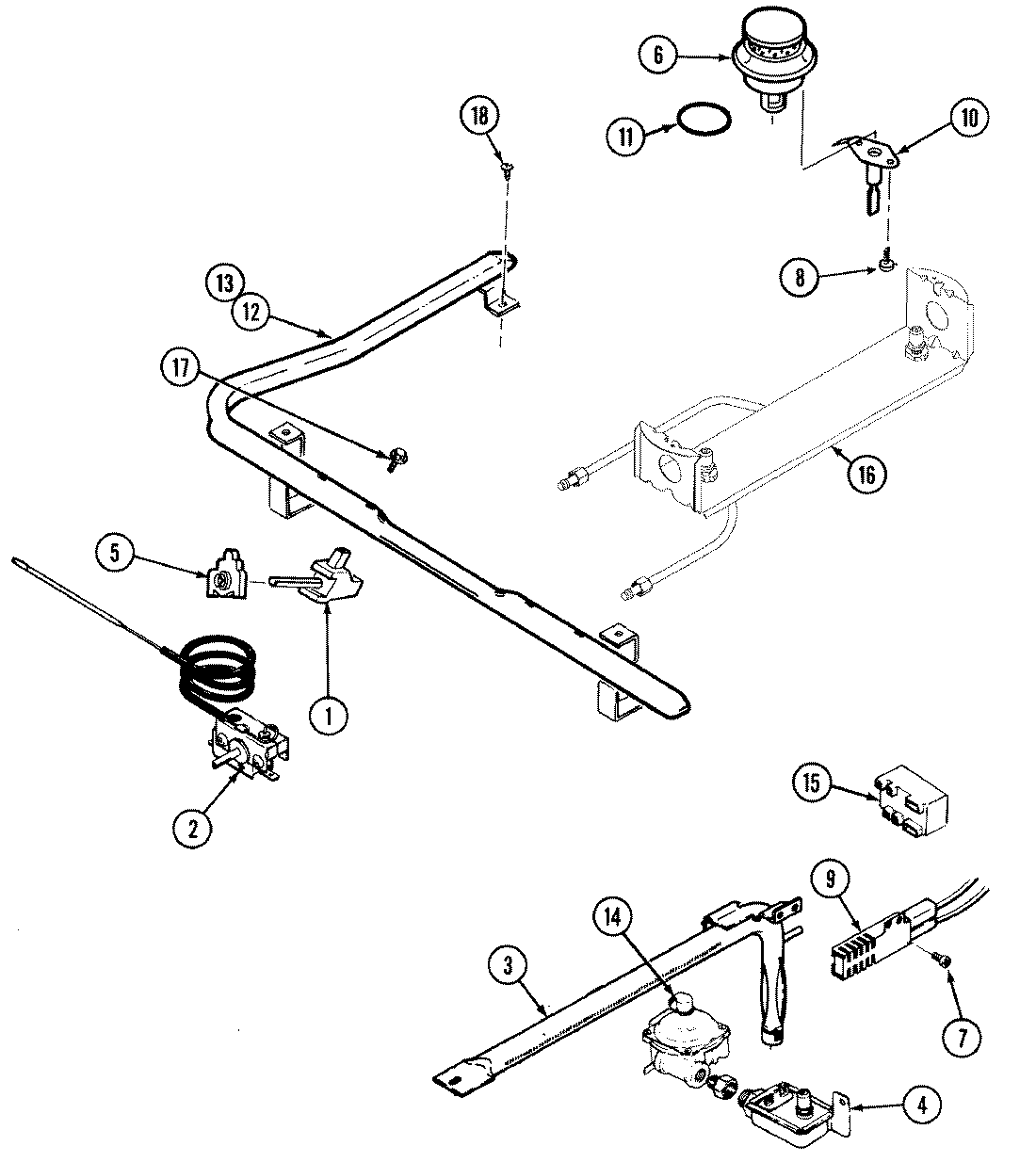
GV3277XUW 02 – CONTROL SYSTEMadmin2025-04-26T13:08:30+00:00GV3277XUW 02 – CONTROL SYSTEM ProductsPositionProduct1MAY 7101P044-601MAY 7502P250-602MAY 7101P280-602MAY 7404P087-603MAY 3403D023-454MAY 7501P139-604MAY 4005F433-515WP7403P279-60 Whirlpool Igniter Switch6MAY 3412D018-097WP3351614 Whirlpool Screw8MAY 7101P315-609MAY 7432P076-6010NOT REQUIRED PART OR SEE NOTE FUSE (NOT REQUIRED)11MAY 7201P050-6012MAY 3414F104-4412MAY 7513P120-6013MAY 7103P130-6014MAY 7510P064-6015MAY 3807F432-4515MAY 7431P026-6016MAY 5187D036-6017MAY 7101P296-6018MAY 7101P290-6018MAY 5140D038-6018MAY 5125A312-60