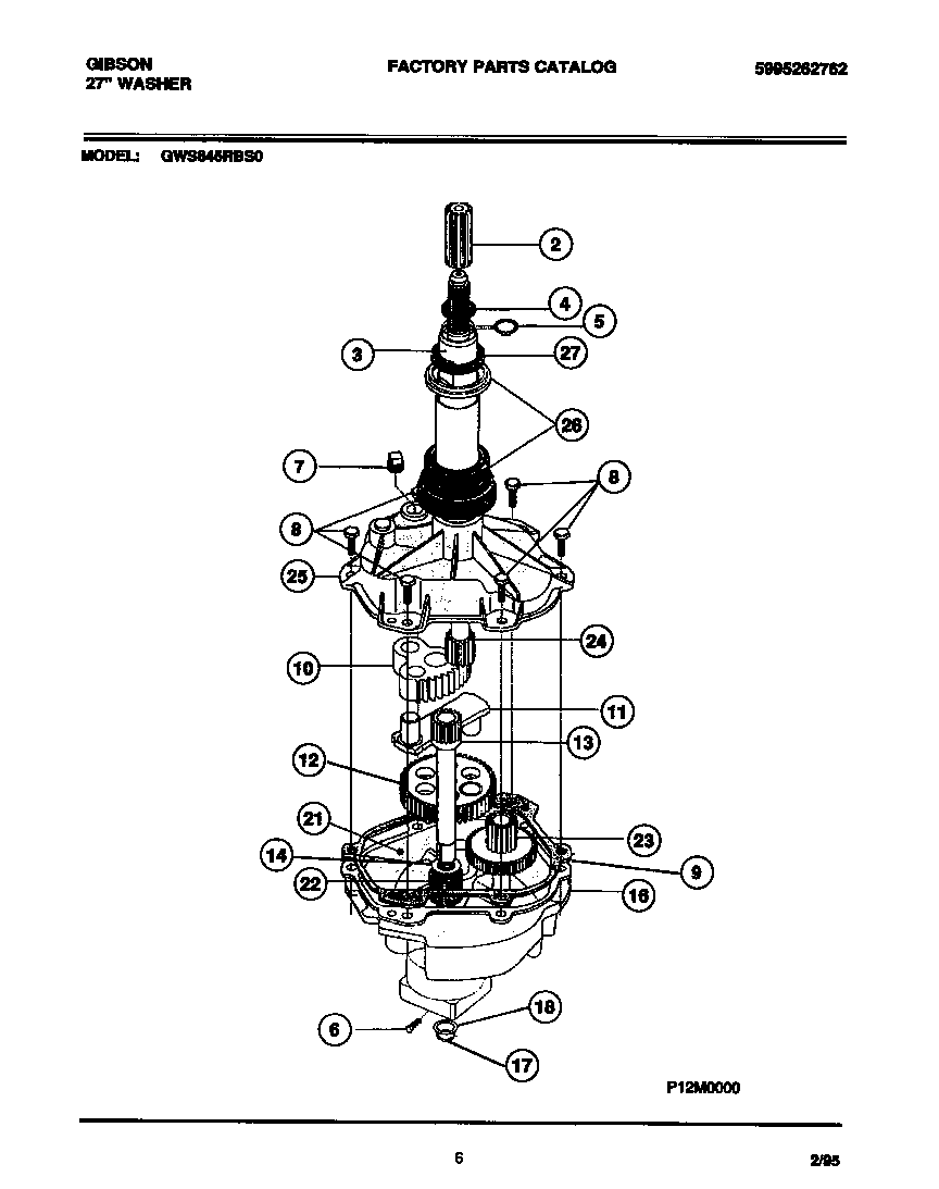
GWS645RBS0 04 – TRANSMISSIONadmin2025-04-26T11:58:46+00:00GWS645RBS0 04 – TRANSMISSION ProductsPositionProduct2134418700 Frigidaire Agitator Drive Hub3TRANSMISSION COMPL.45303161307 Frigidaire Dryer Seal Assembly6134197900 Frigidaire Screw7WCI 53031612248SCREW (6)9GASKET10WCI 530801126811WCI 530316116912WCI 530801549613WCI 530801490514WCI 530316122616WCI 13136200017WCI 530316122318WCI 530800247521OIL-TRANSMISSION (1 QT)22WCI 13137510023WCI 530316117524134736400 Frigidaire Gear Case25WCI 530329443726SEAL-TUB27THRUST WASHER