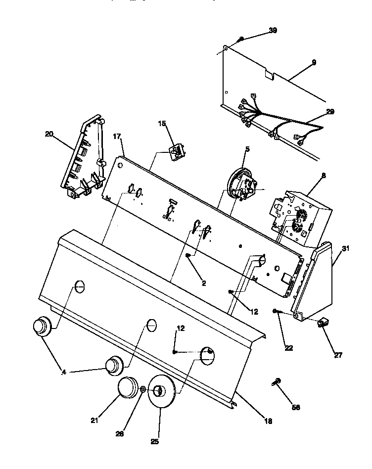
GWX223RBW2 05 – CONTROL PANELadmin2025-04-26T11:59:08+00:00GWX223RBW2 05 – CONTROL PANEL ProductsPositionProduct2131168200 Frigidaire Dryer Screw4WCI 1310325005WCI 1310475008WCI 1313601009COVER-BACK12SCREW (2)17WCI 13129730618PANEL-CONTROL, BLACK20WCI 530329134421WCI 13103040022WCI 13126630025WCI 13103050026Spacer,washer ,timer shaft27CLIP-CONSOLE MTG29WCI 13134130031WCI 530329135239131205100 Frigidaire Screw56131243800 Frigidaire Screw