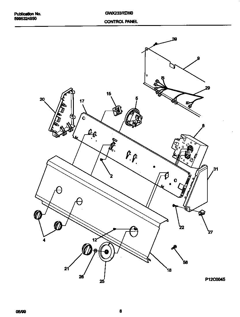
GWX233REW0 05 – P12C0045 CONTROL PANELadmin2025-04-26T11:58:43+00:00GWX233REW0 05 – P12C0045 CONTROL PANEL ProductsPositionProduct*56763WCI 1318276002131168200 Frigidaire Dryer Screw4WCI 1311186025WCI 1310475008WCI 1314367009COVER-BACK12218359202 Frigidaire Refrigerator Screw15WCI 13104700017WCI 13172890018WCI 13150830020WCI 530329134421KNOB-TIMER22WCI 13126630025WCI 13111850226Spacer,washer ,timer shaft27CLIP-CONSOLE MTG29WCI 13179380031WCI 530329135239131205100 Frigidaire Screw56131243800 Frigidaire Screw