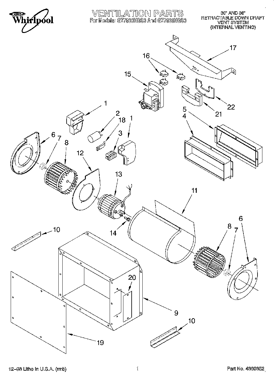
GZ7936XGS0 01 – VENTILATION