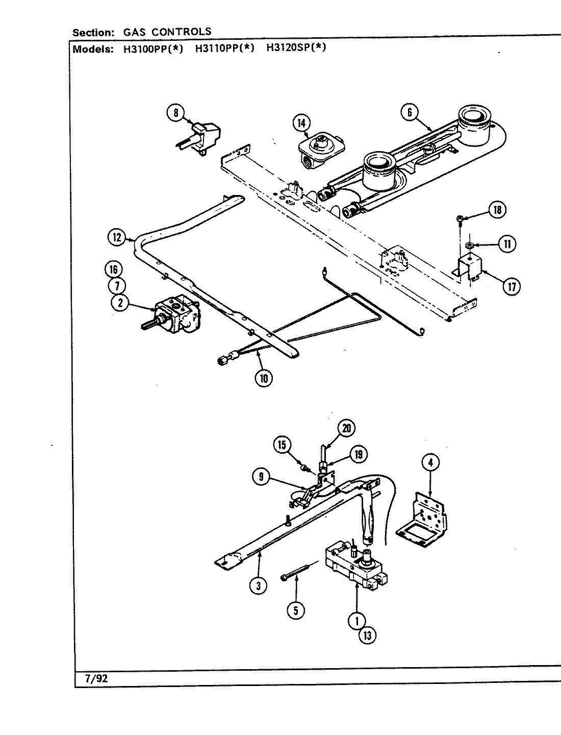
H3110PPA 04 – GAS CONTROLSadmin2025-04-26T10:25:06+00:00H3110PPA 04 – GAS CONTROLS ProductsPositionProduct1MAY 7501P111-602MAY 7515P032-602MAY 7101P010-603MAY 3403D023-454MAY 3801F328-455SCREW No.10 X 26MAY 3412A004-197MAY 3414F094-608MAY 7101P044-608MAY 7502P174-609MAY 7432P068-6010MAY 7505P193-6011MAY 7103P070-6012MAY 7513P132-6013MAY 155525114MAY 7510P002-6015WP4159193 Whirlpool Screw16MAY 155527917MAY 3807F024-3418MAY 7118P015-6019MAY 1555261K20MAY 3414F108-44