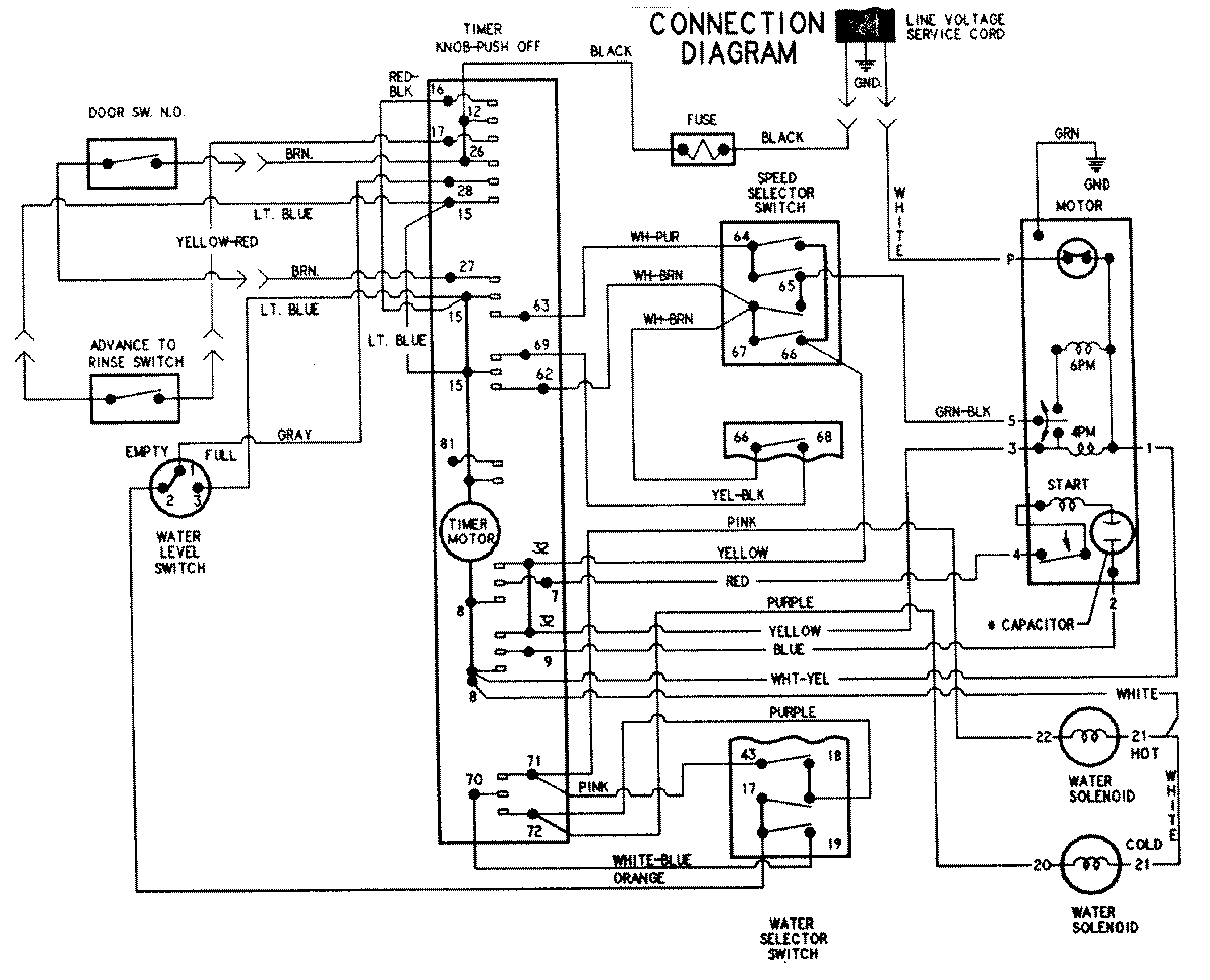
HAV4200AKW 12 – WIRING INFORMATIONadmin2025-04-26T10:31:14+00:00HAV4200AKW 12 – WIRING INFORMATION ProductsPositionProductNIMAY 15002603