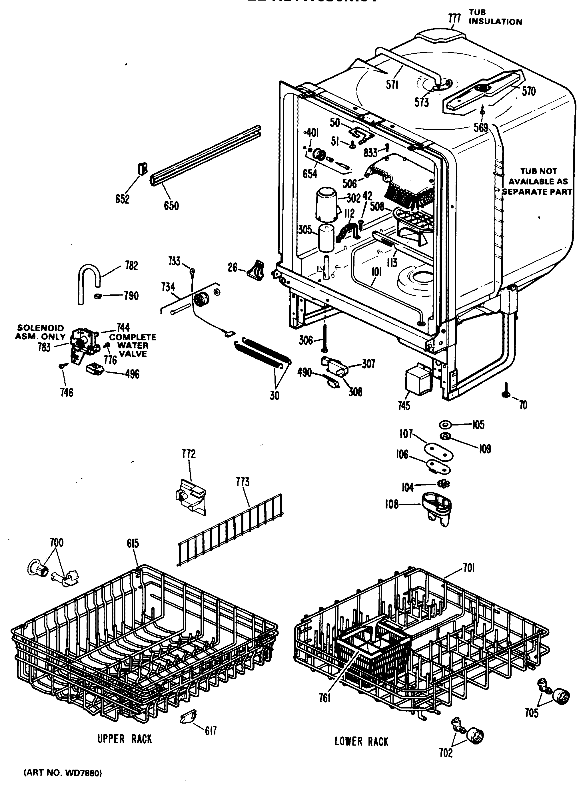
| 26 | WD8X228 GE Dishwasher Left Hand Tub Baffle Corner Gasket |
| 26 | WD8X227 GE Dishwasher Right Hand Corner Seal |
| 30 | GEN WD01X1333 |
| 42 | WD02X22736 GE Dishwasher Stainless Steel SCR10 16 AB HXW 3/4 |
| 50 | WD13X67 GE Dishwasher Latch Keeper |
| 51 | GEN WZ02X0492 |
| 70 | WD2X320 GE Dishwasher Leveling Leg |
| 101 | WD05X26780 GE Dishwasher Heating Element Assembly |
| 104 | GEN WD01X1289 |
| 105 | GEN WD01X1168 |
| 106 | GEN WD01X1350 |
| 107 | GEN WD01X1351 |
| 108 | GEN WD01X1352 |
| 109 | GEN WD08X0225 |
| 112 | FRONT HEATER SUPPORT |
| 113 | REAR HEATER SUPPORT |
| 302 | WD12X445 GE Dishwasher Float Dome |
| 305 | WD12X334 GE Dishwasher Float |
| 306 | WD12X335 GE Dishwasher Float Stem |
| 307 | WD12X10023 GE Dishwasher Bracket |
| 308 | GEN WD12X0377 |
| 401 | WD3X767 GE Dishwasher Washer |
| 490 | WD21X479 GE Dishwasher Switch |
| 496 | GEN WD12X0349 |
| 506 | WD12X417 GE Dishwasher Cover |
| 508 | WD12X418 GE Dishwasher Sump Cap |
| 569 | GEN WD01X1297 |
| 570 | WD28X10103 GE Spray Arm Assembly |
| 571 | GEN WD24X0214 |
| 573 | GEN WD01X1007 |
| 617 | GEN WD01X1383 |
| 650 | WD30X98 GE Dishwasher Slide Assembly |
| 652 | WD12X10304 GE Dishwasher Rack Slide Endcap (White) |
| 654 | WD12X332 GE Dishwasher Rack Roller |
| 700 | WD12X10327 GE Dishwasher Rack and Roller Studs 4 Pack |
| 701 | GEN WD28X0248 |
| 702 | WD12X271 GE Dishwasher Roller |
| 705 | WD35X21038 GE Dishwasher Upper Rack Wheel Kit |
| 733 | WD7X14 GE Dishwasher Door Cable Assembly |
| 734 | GEN WD35X0183 |
| 744 | WD15X93 GE Dishwasher Water Inlet Fill Valve |
| 745 | JUNCTION BOX COVER |
| 746 | WD2X248 GE Dishwasher Screw |
| 761 | SILVERWARE BASKET |
| 772 | SUPPORT SHELF |
| 773 | WD28X31820 GE Dishwasher Upper Final Rack Assembly |
| 776 | GEN WZ05X0222 |
| 777 | INSULATION |
| 782 | WD18X202 GE Dishwasher Fill Hose |
| 790 | WH1X2036 GE UNIX Clamp |
| 833 | WD2X295 GE Refrigerator Screw |