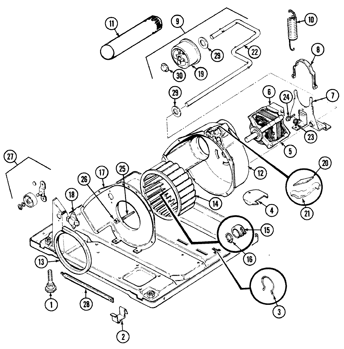
HDE2000KW 05 – MOTOR & DRIVEadmin2025-04-26T10:27:08+00:00HDE2000KW 05 – MOTOR & DRIVE ProductsPositionProduct1W11117769 Whirlpool Refrigerator Leveler2WP53-0120 Whirlpool Clip3MAY 25-70274MAY 25-77414MAY 53-01535MAY 310010166MAY 53-06937MAY 53-19327MAY 25-78118WP660658 Whirlpool Clamp1031001465 Whirlpool Idler Spring11MAY 53-013412MAY 53-18011312001324 Whirlpool Collector Duct1431001043 Whirlpool Blower Wheel15MAY 25-782316MAY 25-785517MAY 25-780717MAY 53-193318MAY 53-017018WP53-1107 Whirlpool Thermostat18MAY 25-213419MAY 53-162819LA-1006 Whirlpool Dryer Right Hand Glide Kit20WP31001356 Whirlpool Glide Pad21WP31001469 Whirlpool Glide Assembly22MAY LA-100822WP53-2287 Whirlpool Idler Assembly23MAY 25-769924MAY 25-767425MAY 53-102626MAY 25-34572712002126 Whirlpool Refrigerator Reinforcement Brace Glide28MAY LA-201029MAY 25-781530MAY 25-7957