| 1 | WCI 5303296823 |
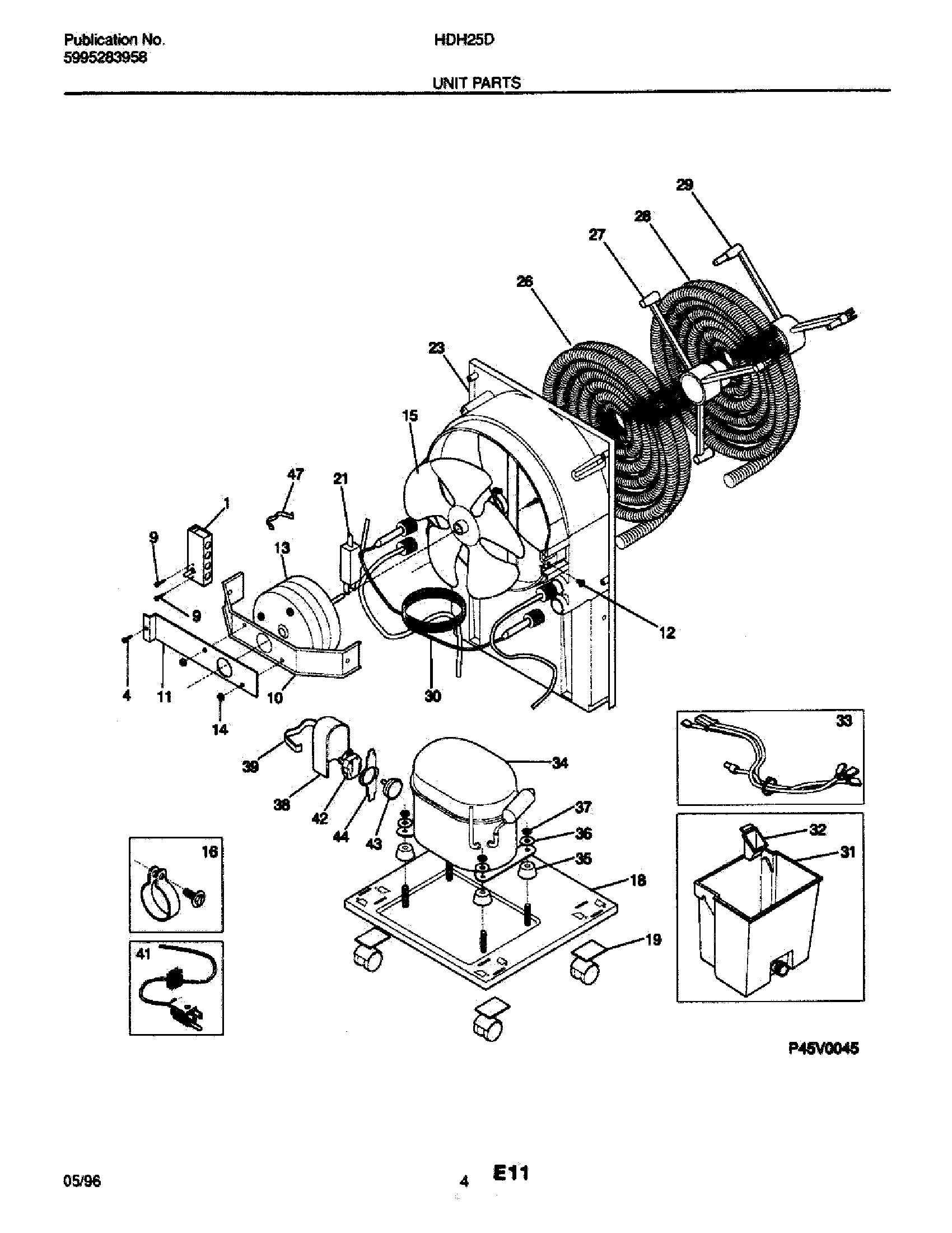
| 4 | 134178901 Frigidaire Screw |
| 9 | 3201861 Frigidaire Screw |
| 10 | WCI 5303296828 |
| 11 | WCI 5303296829 |
| 13 | WCI 5303289838 |
| 14 | WCI 08007481 |
| 15 | FAN BLADE |
| 16 | WCI 5303303699 |
| 18 | WCI 5303303502 |
| 19 | WCI 5303275278 |
| 21 | WCI 5308016437 |
| 23 | WCI 5303303501 |
| 24 | WCI 3002801 |
| 26 | WCI 5303307379 |
| 27 | CLAMP-EVAPORATOR INNER |
| 28 | WCI 3017954 |
| 29 | CLAMP-EVAPORATOR OUTER |
| 30 | CAPILLARY TUBE-CUT TO 25`` |
| 31 | WCI 5303303883 |
| 32 | WCI 5303306080 |
| 33 | WCI 5303303887 |
| 34 | WCI 5303307538 |
| 35 | WCI 5303001777 |
| 36 | WASHER-COMPRESSOR |
| 37 | NUT-COMPRESSOR |
| 38 | WCI 5303273999 |
| 39 | 5303006412 Frigidaire Refrigerator Cover Mounting Strap |
| 41 | WCI 5303279151 |
| 42 | 216594300 Frigidaire Refrigerator Starter |
| 43 | WCI 5303307530 |
| 47 | WCI 327100001 |