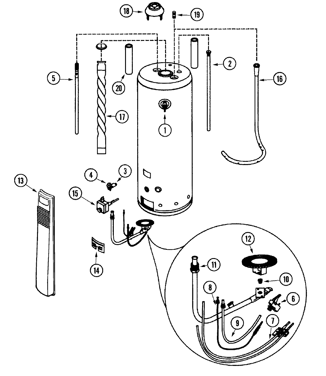
HN4X50X960CGA 01 – BODY