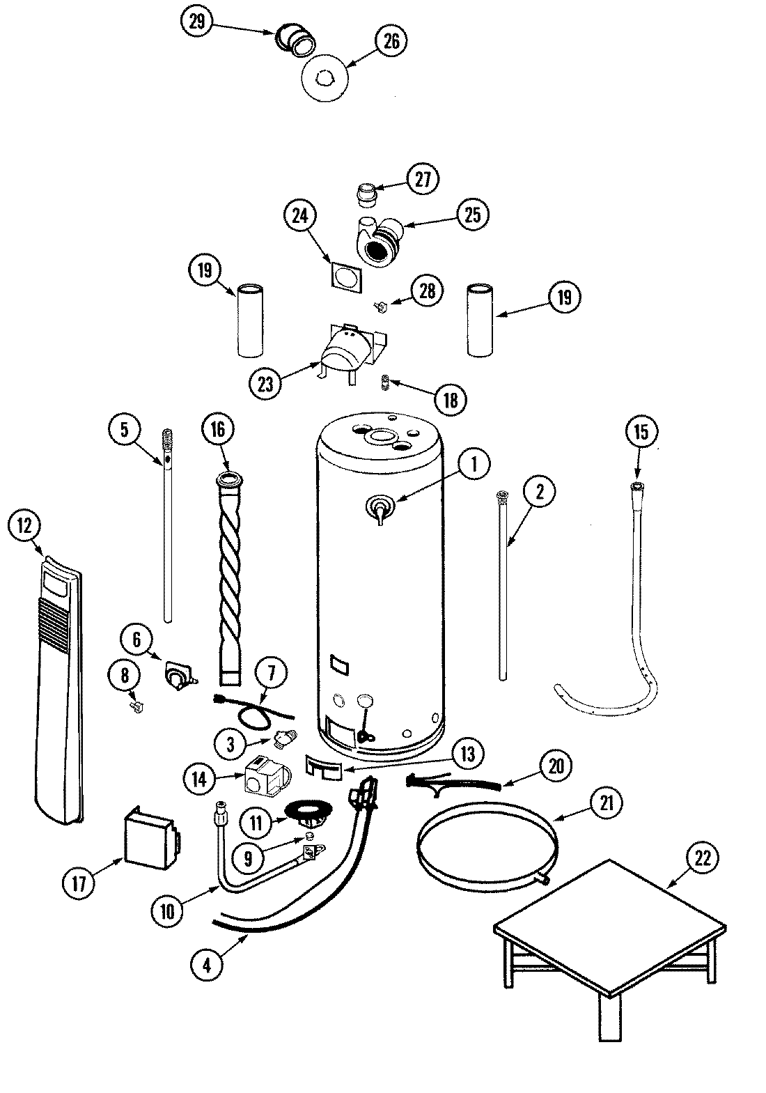
HN51250VCANZ 01 – BODY