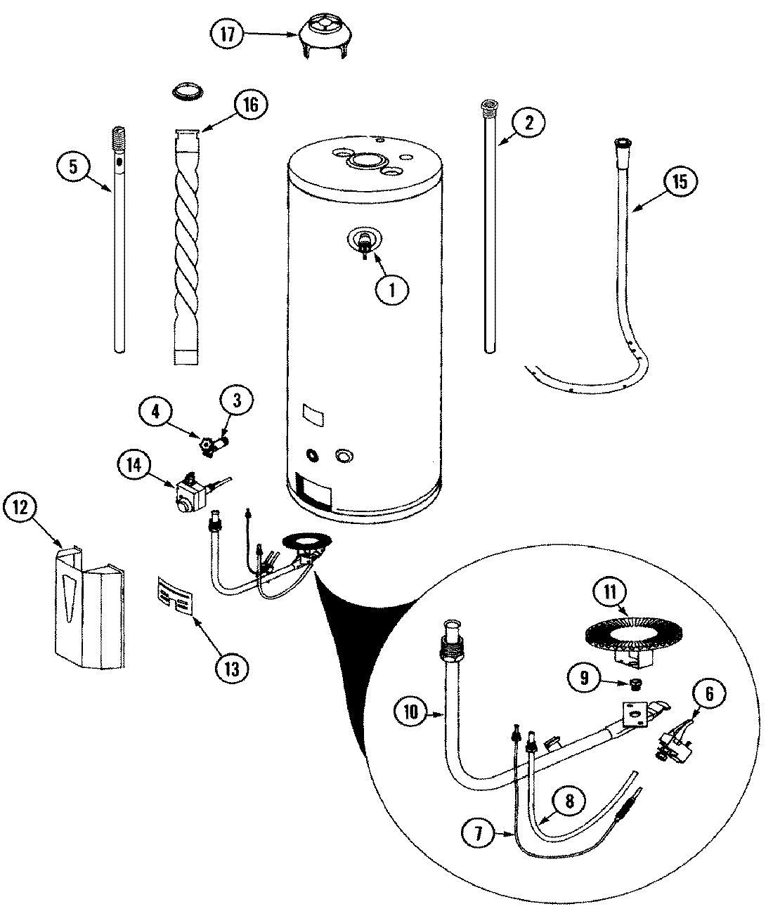
HN5930TCAN 01 – BODYadmin2025-04-26T09:26:29+00:00HN5930TCAN 01 – BODY ProductsPositionProduct1MAY 660010792MAY 660010203MAY 660010804MAY 660010215MAY 90009476MAY 660010237MAY 660010178MAY 660010249MAY Y023014110MAY 900261311MAY 900241112MAY 900035813MAY 6600102914MAY 6600107615MAY 6600103016MAY 900249017MAY 6600103218MAY 6600101319MAY 66001097