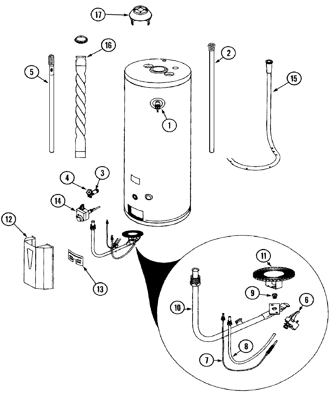
HN5940SCAN 01 – BODYadmin2025-04-26T09:26:32+00:00HN5940SCAN 01 – BODY ProductsPositionProduct1MAY 660010792MAY 660010203MAY 660010804MAY 660010215MAY 90009476MAY 660010237MAY 660010178MAY 660010249MAY Y023014110MAY 900261711MAY 900241112MAY 900035813MAY 6600102914MAY 6600107615MAY 900206716MAY 900264917MAY 6600103218MAY 6600101319MAY 66001097