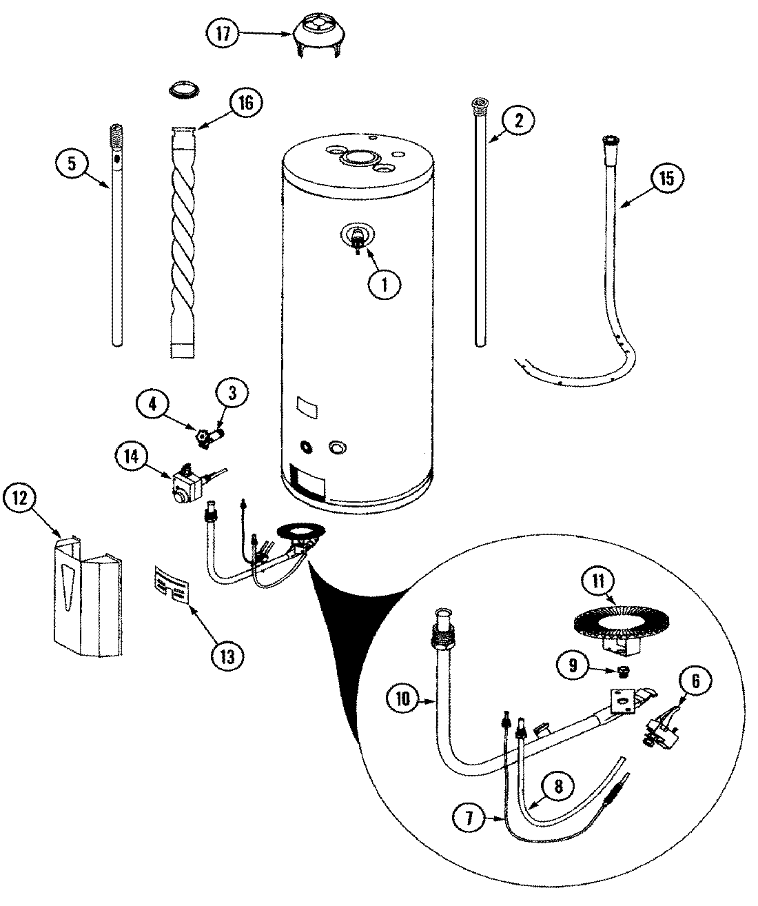
HN5950SCAN 01 – BODYadmin2025-04-26T09:29:49+00:00HN5950SCAN 01 – BODY ProductsPositionProduct1MAY 660010102MAY 660012513MAY 660010154MAY 660010215MAY 660012176MAY 660010237MAY 660010178MAY 660010249MAY 6600103510MAY 6600132911MAY 6600102712MAY 6600119013MAY 6600102914MAY 6600100315MAY 6600126316MAY 6600128717MAY 6600103218MAY 6600101418MAY 6600101319MAY 66001150