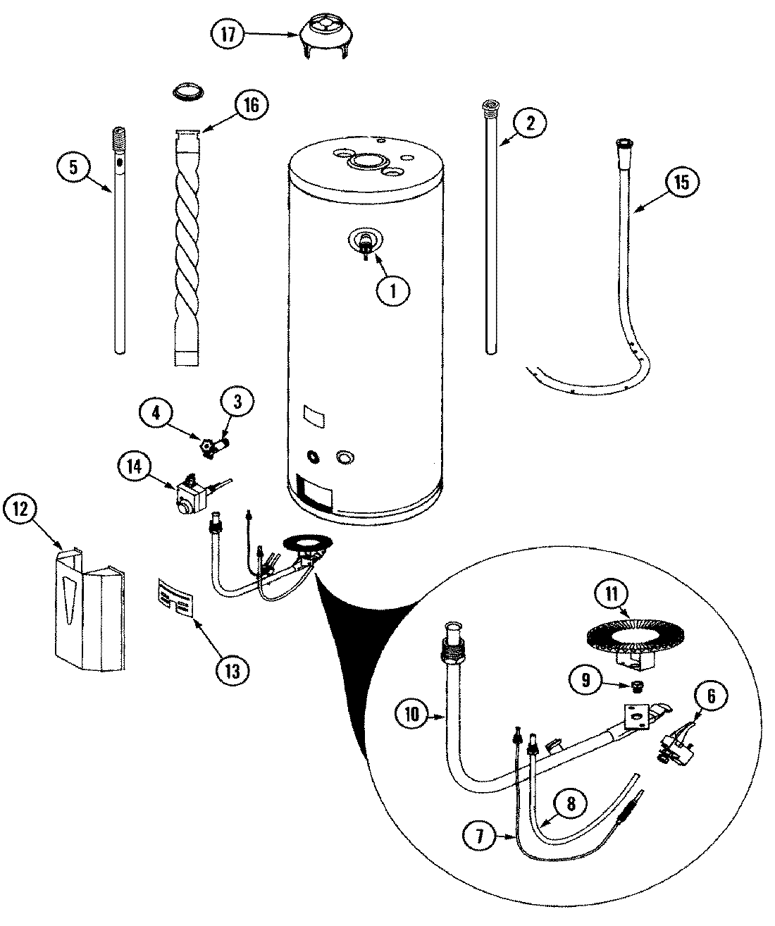
HP4930TCAN 01 – BODY