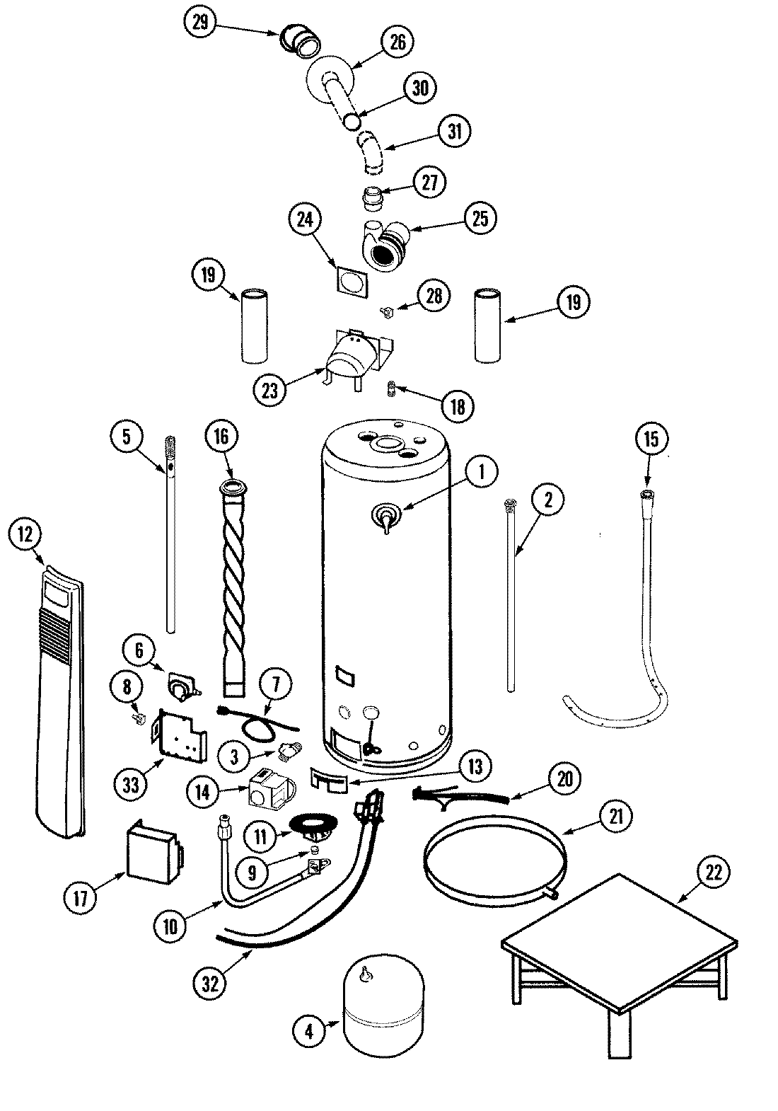
HP4X40P980 01 – BODYadmin2025-04-26T09:33:37+00:00HP4X40P980 01 – BODY ProductsPositionProduct1MAY 660010102MAY 660010203MAY 660010153MAY 660010214MAY 660010135MAY 660010226MAY 90019767MAY 90015138MAY 90017739MAY Y023022510MAY 900259811MAY 6600102712MAY 900259613MAY 6600102914MAY 900251515MAY 6600103016MAY 900260017MAY 900259718MAY 6600103319MAY 6600103420MAY 900252021MAY 900074322MAY 900142223MAY 900196324MAY 900073625MAY 900267226MAY 900199327MAY 900250628MAY 900267829MAY 900212030MAY 900210631MAY 900210732MAY 900251833MAY 900251234MAY 66001083