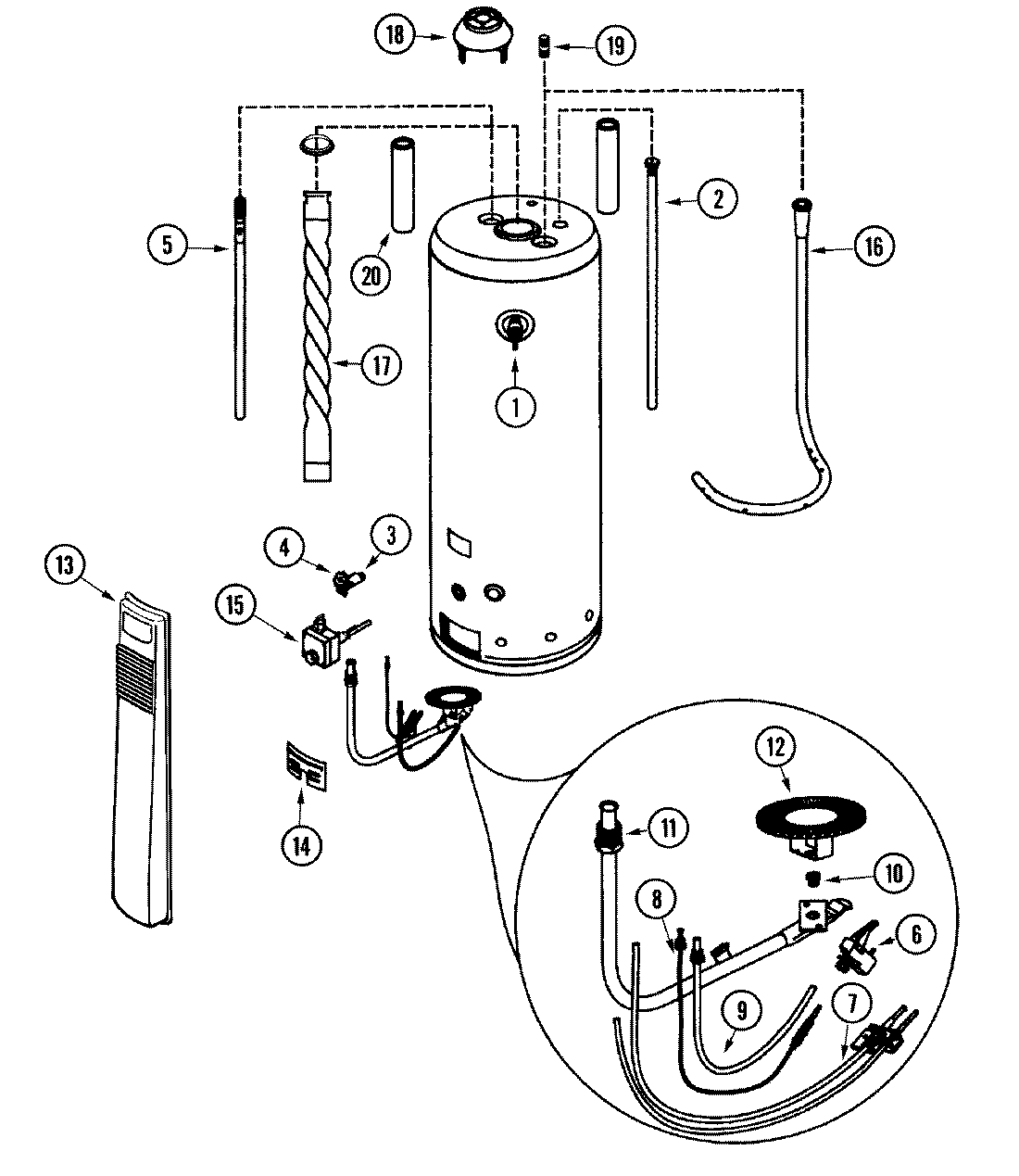
HP4X50Q960 01 – BODY