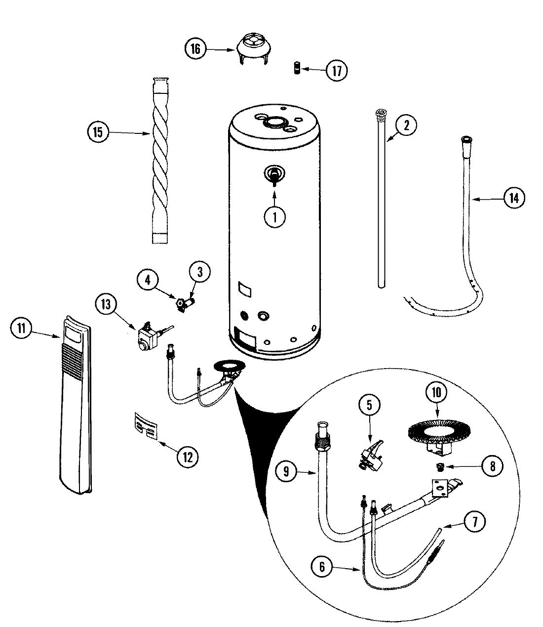
HP51275Q 01 – BODYadmin2025-04-26T09:34:02+00:00HP51275Q 01 – BODY ProductsPositionProduct1MAY 660010792MAY 660010203MAY 660010154MAY 660010215MAY 660011416MAY 660010177MAY 660011428MAY 660011779MAY 6600114410MAY 6600114511MAY 6600102812MAY 6600114613MAY 6600100414MAY 6600103015MAY 6600114716MAY 6600105117MAY 6600114818MAY 66001100