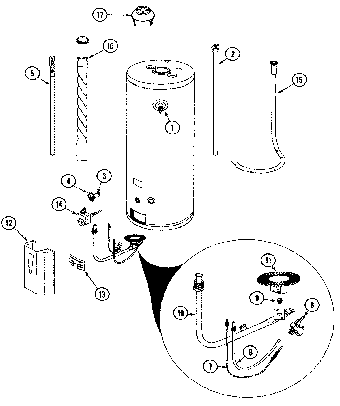
HP5940TCAN 01 – BODYadmin2025-04-26T09:36:12+00:00HP5940TCAN 01 – BODY ProductsPositionProduct1MAY 660010792MAY 660010203MAY 660010804MAY 660010215MAY 90009476MAY 90002867MAY 660010178MAY 660010249MAY Y023022410MAY 900261611MAY 900039012MAY 900035813MAY 6600102914MAY 6600107815MAY 6600103016MAY 900051617MAY 6600103218MAY 6600101319MAY 66001097