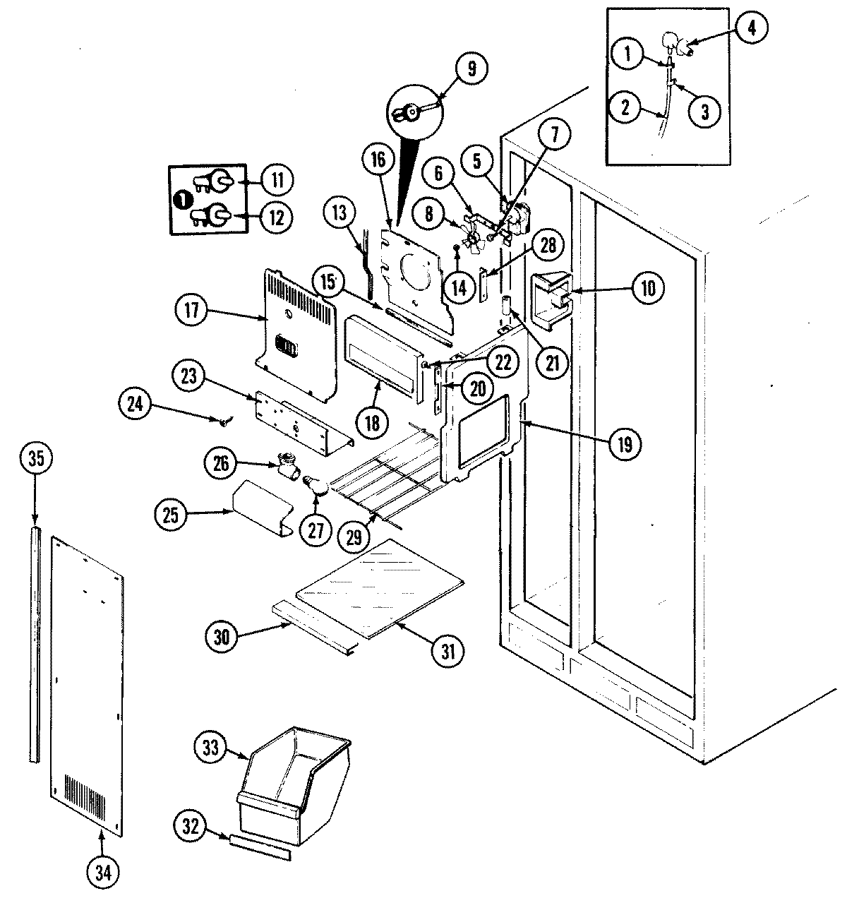
HRNS2239V 01 – FREEZER COMPARTMENT