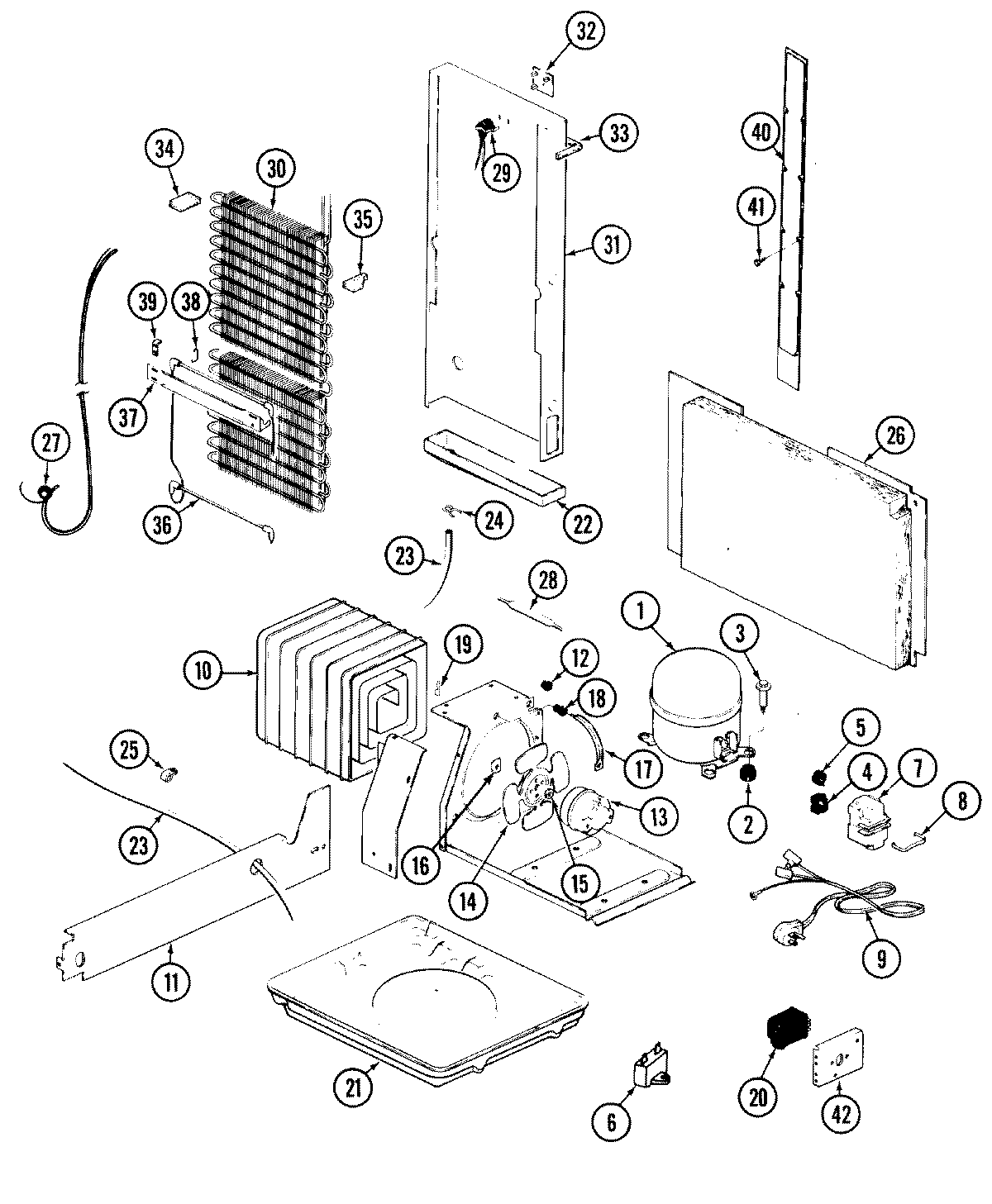
HRNS2239V 08 – UNIT COMPARTMENT & SYSTEMadmin2025-04-26T09:38:34+00:00HRNS2239V 08 – UNIT COMPARTMENT & SYSTEM ProductsPositionProduct1MAY RA10182MAY 17245-43MAY 68840-23MAY 65275-94MAY 66858-15MAY 63294-196NOT REQUIRED PART OR SEE NOTE FUSE (NOT REQUIRED)7MAY 66589-28MAY 65886-19MAY 52890-210MAY RA43644-110MAY 400062-110MAY 60408-211WP488729 Whirlpool Refrigerator Door Screw11MAY 66494-112MAY 53351-113MAY 65275-3313833697 Whirlpool Condenser Fan Motor14MAY 60683-215MAY 19913-216MAY 55042-117MAY 56936-118MAY 56933-119MAY 57051-120MAY 405007-120MAY 69543-321MAY 45004-2022MAY 53523-123MAY 26911-1824WP596669 Whirlpool Hose Clamp25MAY 53516-526MAY 66339-127MAY RA95090-327MAY 26088-2328MAY 1390029MAY 52085-2930MAY 52551-2131MAY 68834-132MAY 55878-133MAY 66325-1734MAY 65063-135MAY 65064-136MAY 69848-137MAY 29915-1238MAY 52067-139MAY 69863-139MAY 52561-140MAY 66381-142MAY 29282-242WP489478 Whirlpool Refrigerator Screw43MAY 108429-2