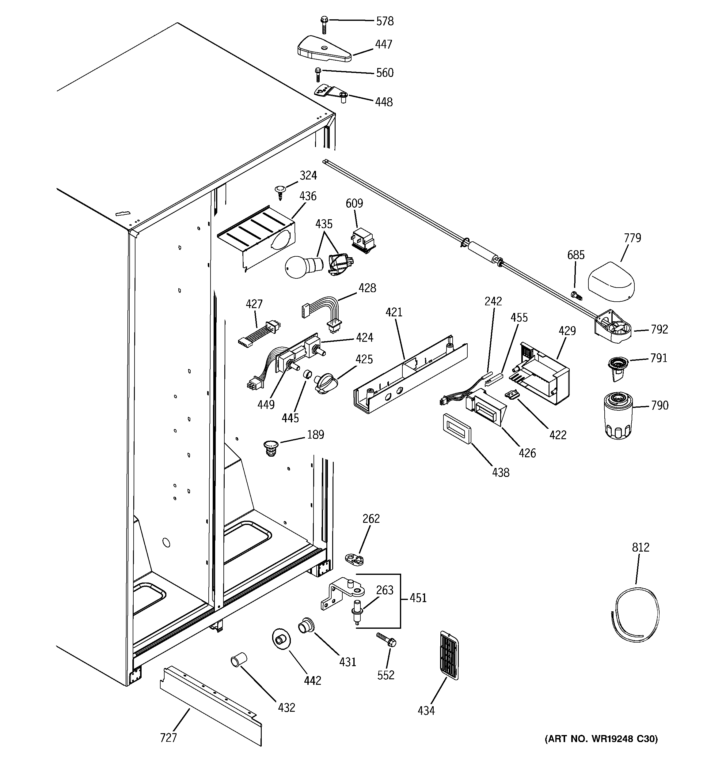
HSS25GFPAWW FRESH FOOD SECTIONadmin2025-04-26T08:43:40+00:00HSS25GFPAWW FRESH FOOD SECTION ProductsPositionProduct189GEN WR02X10983242WR55X10025 GE Refrigerator Temperature Sensor262GEN WR02X11286263GEN WR02X10592324GEN WR02X7051421GEN WR17X11513422GEN WR02X10546425GEN WR02X10570426WR09X10050 DAMPER & GAS427WR55X10150 GE Refrigerator Board Assembly Encoder428GEN WR23X10245429GEN WR02X11250431WR2X9299 GE Refrigerator Air Duct Cap Mullion432WR02X10561 GE Duct Mullion434GEN WR17X10262435RANGE ONLY 40W 120V APPL BULB435WR02X10591 GE Light Socket and Terminal436GEN WR02X10578438WR14X10047 GE Refrigerator Gasket Damper442GEN WR02X10763445WR02X12149 GE Refrigerator Ring447GEN WR02X11480448GEN WR13X10285449GEN WR01X10191451GEN WR13X10287455GEN WR02X10622552WR01X10600 GE Refrigerator Screw 12-24 Tapping Hex .811 S Z560GEN WR01X10195560GEN WH12X0603578WR01X10379 GE Refrigerator Hinge Cover Screw609WR23X37285 GE Light Switch685WR01X10606 GE Refrigerator Screw 8-18 CA HX 1/2 S727GEN WR17X11409779GEN WR02X11169790MWFP GE Replacement Water Filter Pureline for Refrigerator791WR17X22070 GE Water Filter Bypass Plug792MWF MANIFOLD812GEN WR17X11516