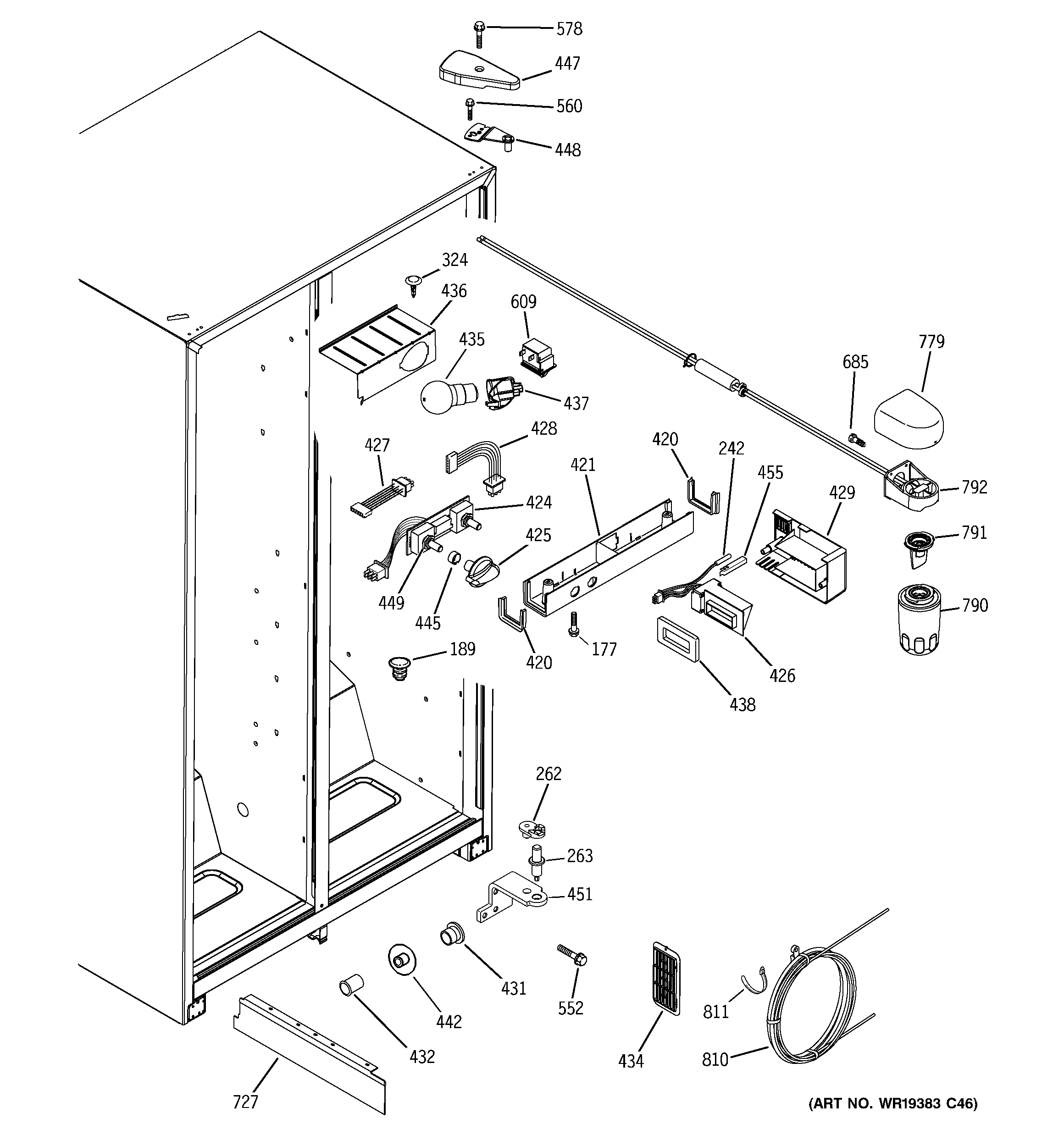
HSS25IFPCCC FRESH FOOD SECTIONadmin2025-04-26T08:44:14+00:00HSS25IFPCCC FRESH FOOD SECTION ProductsPositionProduct177SCREW189GEN WR02X10983242WR55X10025 GE Refrigerator Temperature Sensor262WR02X11743 GE Refrigerator Hinge Cam Riser263GEN WR02X10592324GEN WR02X7051420GEN WR14X10044421GEN WR17X10876425GEN WR02X10570426WR09X10050 DAMPER & GAS427WR55X10150 GE Refrigerator Board Assembly Encoder428GEN WR23X10245429GEN WR02X11250431WR2X9299 GE Refrigerator Air Duct Cap Mullion432WR02X10561 GE Duct Mullion434GEN WR17X10262435RANGE ONLY 40W 120V APPL BULB436GEN WR02X10578437WR02X10591 GE Light Socket and Terminal438WR14X10047 GE Refrigerator Gasket Damper442GEN WR02X10763445WR02X12149 GE Refrigerator Ring447CVR HNG BQ448GEN WR13X10285449GEN WR01X10191451GEN WR13X10312455GEN WR02X10622552WR01X10600 GE Refrigerator Screw 12-24 Tapping Hex .811 S Z560GEN WR01X10195578WR01X10379 GE Refrigerator Hinge Cover Screw609WR23X37285 GE Light Switch685WR01X10606 GE Refrigerator Screw 8-18 CA HX 1/2 S727GEN WR17X11409779GEN WR02X11169790MWFP GE Replacement Water Filter Pureline for Refrigerator791WR17X22070 GE Water Filter Bypass Plug792MWF MANIFOLD810WATER STORAGE COIL811WH01X10704 GE Wire Tie