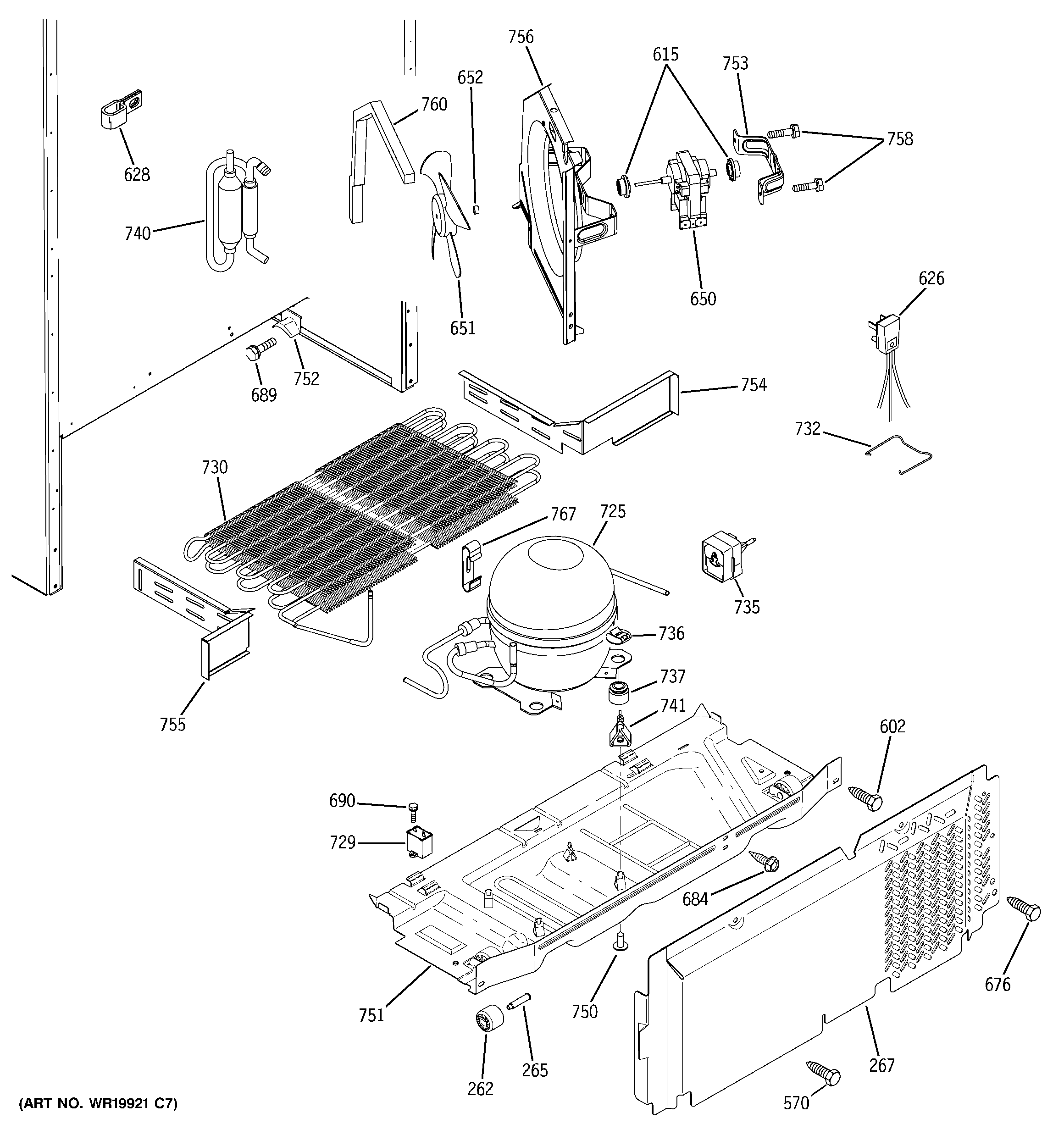
HTM18IBPJRSA UNIT PARTS