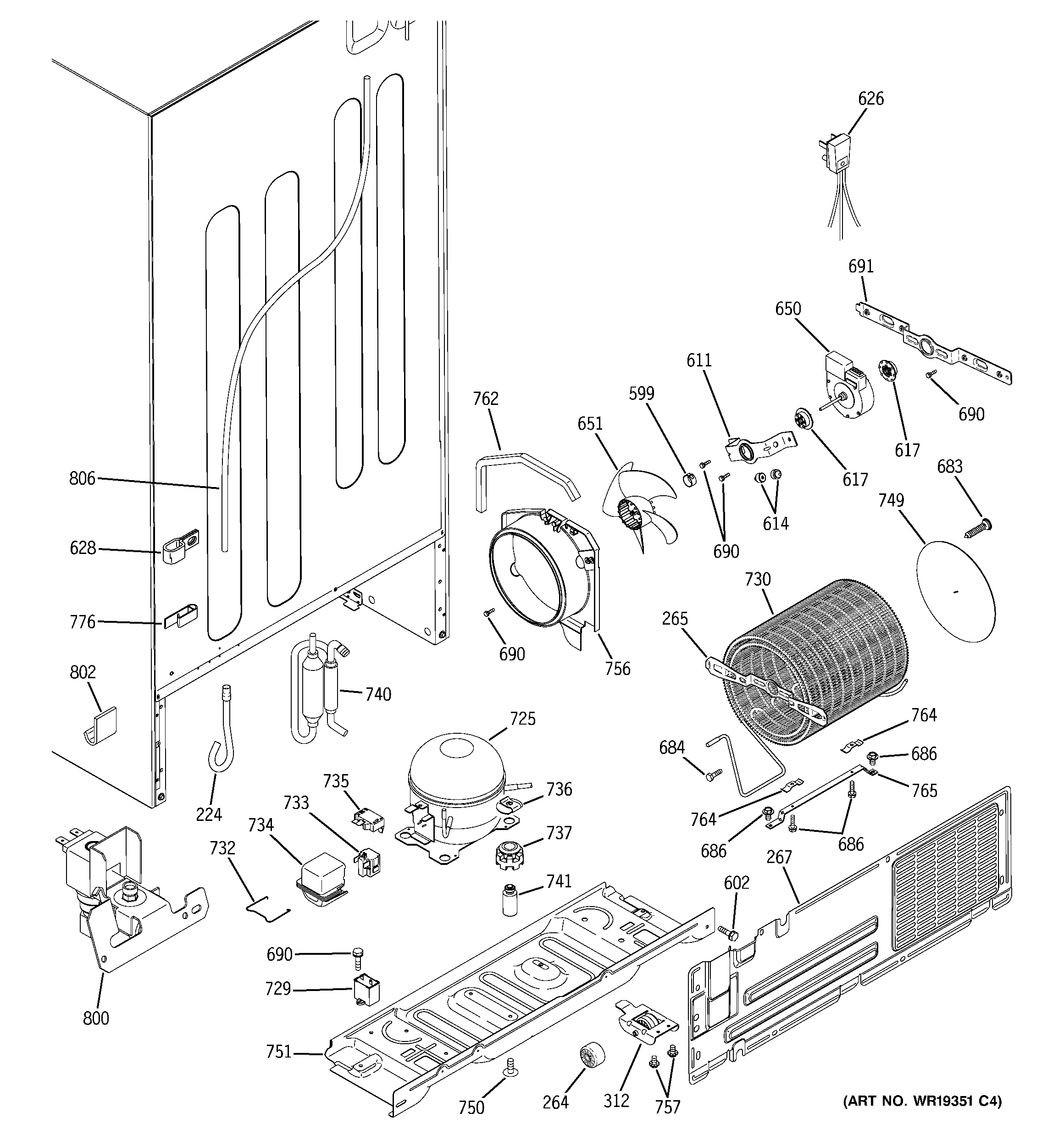
HTS22GCPBRCC SEALED SYSTEM

HTS22GCPBRCC SEALED SYSTEM

Products

PositionProduct
224TUBE DRAIN
264WR02X10695 GE Refrigerator Wheel
265GEN WR02X11574
267WR82X10103 GE Refrigerator Access Cover
312WR02X12288 GE Refrigerator Back Mobility Assembly
599WR02X12149 GE Refrigerator Ring
602WR1X1591 GE Refrigerator Screw
611BRACKET EVAP FAN
611WR02X11863 GE Refrigerator Condenser Fan Bracket (Mounting)
614BUMPER
617WR02X10520 GE Refrigerator Fan Motor Grommet
617GROMMET EVAP
626GEN WR23X10343
628WR1X5278 GE Refrigerator Cable Clamp
650WR60X10130 GE Refrigerator AC Motor/DC Fan E02
650WR60X10220 GE Refrigerator Condenser Fan Motor
651WR60X24484 GE Refrigerator Condenser Fan Blade
651WR60X10207 GE Refrigerator Fan Blade
683WR02X10562 GE Push Fastener
684GEN WB01T10047
686WR01X10654 GE Refrigerator Screw 10-32 TT HXW 5/16 S
690WZ5X158D GE Screw Package of 12
691GEN WR02X11575
725WR87X20798 GE Refrigerator High Side Assembly
729WR55X24064 GE Refrigerator Run Capacitor
730WR84X10022 GE Refrigerator Condenser Replacement Kit
732GEN WR02X8976
733WR07X10055 GE Refrigerator PTCR Relay
734GEN WR02X9169
735WR08X10015 GE Refrigerator Overload Relay
736GEN WR02X8203
737WR02X22869 GE Refrigerator Grommet
740WR86X25269 GE Refrigerator R134 Dryer
741WR1X1779 GE Refrigerator Stud Mounting Compressor
749WR17X13159 GE Refrigerator Baffle Condenser Air
750WR1X1786 GE Refrigerator Screw
751GEN WR17X10966
756GEN WR17X11650
756WR17X35527 GE Refrigerator Condenser Fan Shroud
756GEN WR17X11595
757WR01X10194 GE Refrigerator Screw 10-32 TT HXW 5/16 S
762WR14X10053 GE Refrigerator Foam Strip Adhesive
764WR2X9000 GE Refrigerator Condenser Clip
765WR17X10763 GE Condenser Bracket Bar
776WR02X10522 GE Refrigerator Clamp Tube
800WR57X10086 GE Refrigerator Valve and Tube Assembly
802GEN WR01X1360
806WR17X11349 GE Refrigerator Plastic Tube