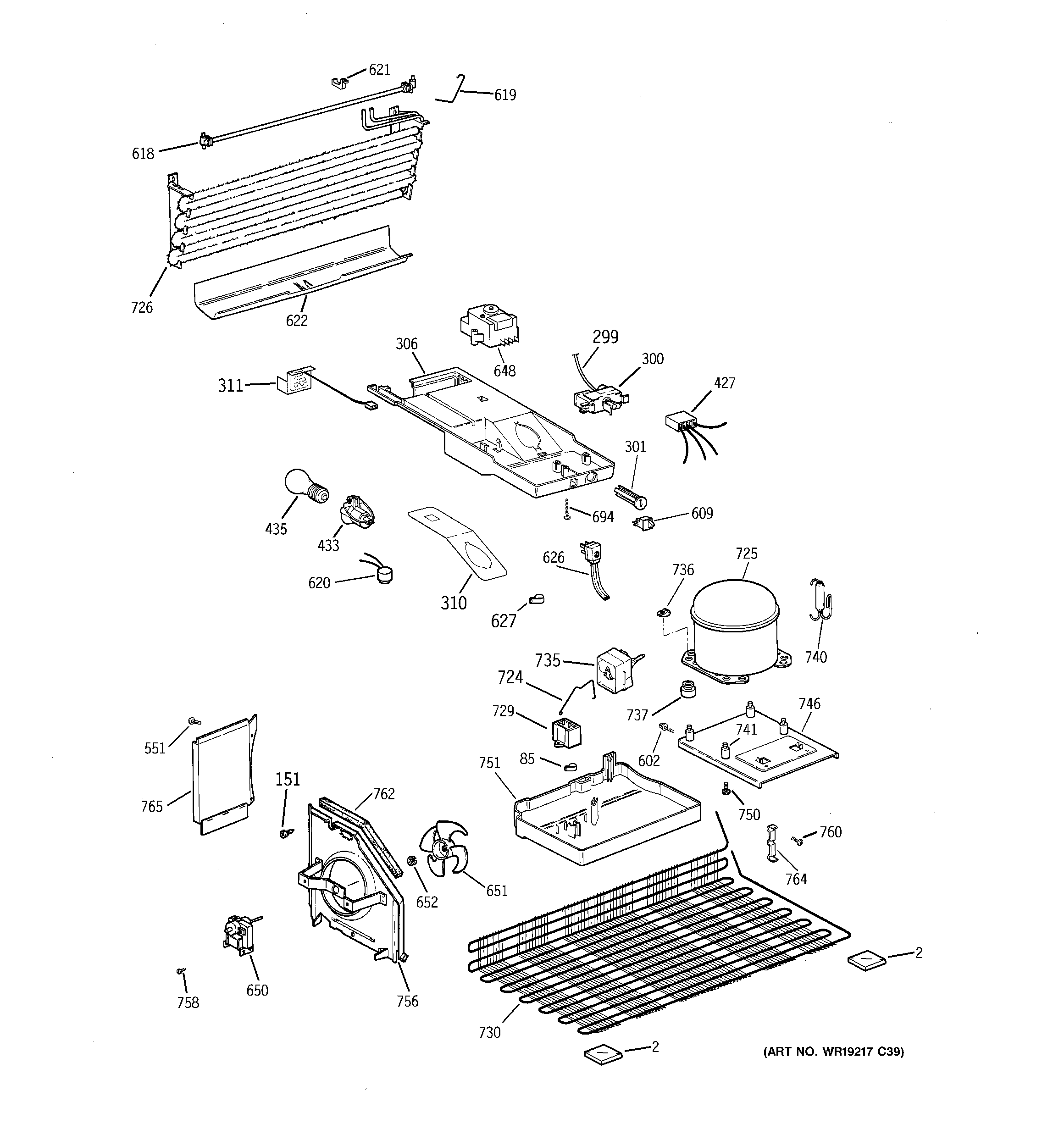
| 2 | GEN WR02X10534 |
| 85 | GEN WR01X2008 |
| 151 | WR01X10588 GE Refrigerator Screw 8-18 AB IHXW 9/16 S |
| 299 | WR2X8344 GE Refrigerator Vinyl Sleeve |
| 300 | CONTROL TEMP |
| 301 | WR02X13355 GE Control Knob |
| 306 | GEN WR17X11575 |
| 310 | GEN WR02X11597 |
| 311 | GEN WR51X10040 |
| 427 | GEN WR23X10522 |
| 433 | WR02X10591 GE Light Socket and Terminal |
| 435 | RANGE ONLY 40W 120V APPL BULB |
| 551 | WR01X10789 GE Refrigerator Stainless Steel Screw 8-18 RNDW 5/8 |
| 602 | WR01X10617 GE Refrigerator Screw 1/4-14 AB IHW 3/4 S |
| 609 | WR23X37285 GE Light Switch |
| 618 | WR51X10038 GE Refrigerator Defrost Heater Assembly |
| 619 | GEN WR51X10102 |
| 620 | WR50X10073 GE Refrigerator Defrost Bi-metal Thermostat |
| 621 | WR02X10518 GE Refrigerator Element Holder |
| 622 | GEN WR17X11657 |
| 626 | WR23X10300 GE Refrigerator Power Cord Assembly |
| 627 | WR1X5278 GE Refrigerator Cable Clamp |
| 648 | WR9X502 GE Refrigerator Defrost Timer |
| 650 | MOTOR COND FAN |
| 651 | WR60X10207 GE Refrigerator Fan Blade |
| 652 | WR02X12149 GE Refrigerator Ring |
| 694 | GEN WR01X1792 |
| 724 | WR02X11999 GE Refrigerator Clip Retainer |
| 725 | WR87X10224 GE Refrigerator Compressor Kit EGYS60 |
| 726 | WR87X28948 GE Refrigerator Evaporator |
| 729 | WR55X24064 GE Refrigerator Run Capacitor |
| 730 | GEN WR84X10077 |
| 735 | WR09X10107 GE Refrigerator PTC Overload 5SP |
| 736 | WR2X8583 GE Refrigerator Clip |
| 737 | GEN WR02X7238 |
| 740 | WR86X25269 GE Refrigerator R134 Dryer |
| 741 | WR1X1779 GE Refrigerator Stud Mounting Compressor |
| 746 | GEN WR17X10195 |
| 750 | WR1X1786 GE Refrigerator Screw |
| 751 | GEN WR32X10455 |
| 756 | GEN WR17X12210 |
| 758 | WR01X10860 GE Refrigerator Screw 8-32 TT HXW 3/8 S |
| 760 | WR01X10317 GE Refrigerator Screw 8-32 CA Hex Washer 1/2 |
| 760 | GEN WR01X10641 |
| 762 | GEN WR14X0313 |
| 764 | WR2X9000 GE Refrigerator Condenser Clip |
| 765 | GEN WR17X10463 |