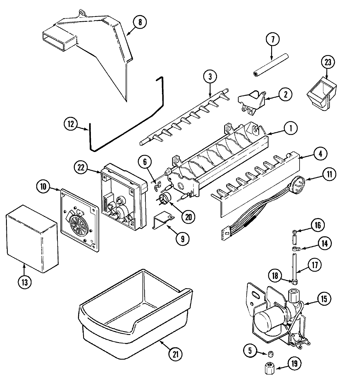
ICE-26 01 – ICE MAKER KITadmin2025-04-26T09:23:58+00:00ICE-26 01 – ICE MAKER KIT ProductsPositionProduct1MAY Y061000471WP99003172 Whirlpool Silicone L2WP628356 Whirlpool Refrigerator Fill Cup3WP627843 Whirlpool Refrigerator Ejector Arm4WP2182124 Whirlpool Refrigerator Stripper Arm5WP487627 Whirlpool Refrigerator Sleeve6WP2315522 Whirlpool Refrigerator Clip7MAY 67666-87MAY 67877-18MAY 70198-38MAY 70198-18MAY 70198-29BRACKET, MODULE & HEATER9MAY 95108-110MAY 400021-110MAY Y0610004911MAY 70076-212MAY 68112-113MAY 6100123914MAY 23197-814SCREW15MAY 401017-115MAY 6100102016WPM0114003 Whirlpool Microwave Speed Clip Clamp17MAY 67579-618WP627018 Whirlpool Refrigerator Nut19WP245183 Whirlpool Nut20WP627985 Whirlpool Icemaker Cycling Thermostat20MAY 95093-121WP67001255 Whirlpool Ice Bucket22SCREW22WP2195914 Whirlpool Refrigerator Ice Maker Housing23MAY 61001305