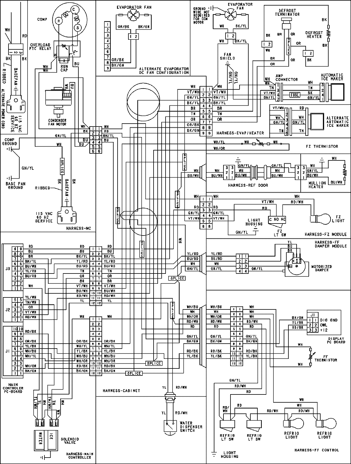
IF36INDFSF 14 – WIRING INFORMATIONadmin2025-04-26T09:25:09+00:00IF36INDFSF 14 – WIRING INFORMATION ProductsPositionProductNIMAY 15003912