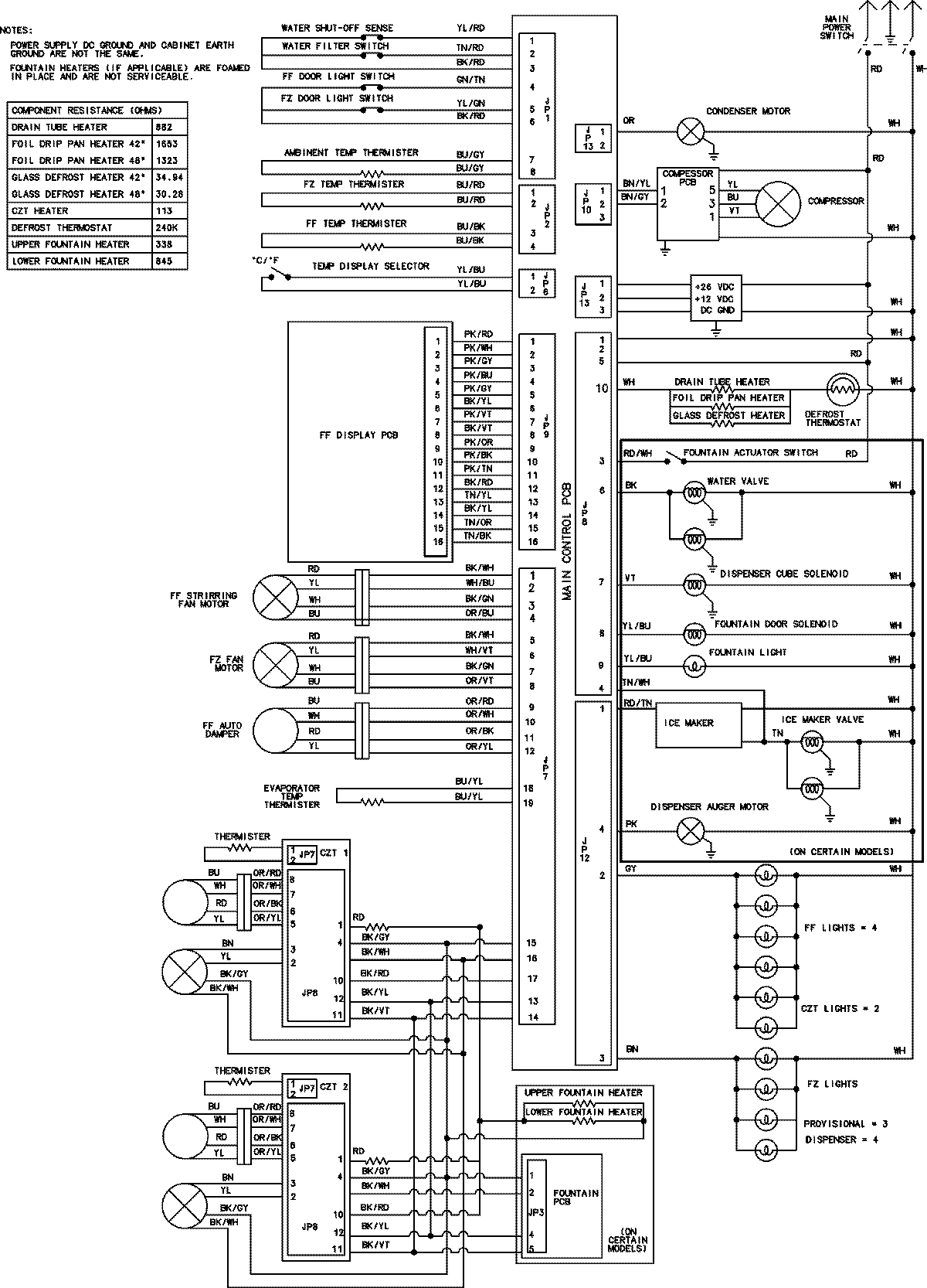
IF42BNDBOL 11 – WIRING INFORMATIONadmin2025-04-26T09:22:47+00:00IF42BNDBOL 11 – WIRING INFORMATION ProductsPositionProductNIMAY 15003859