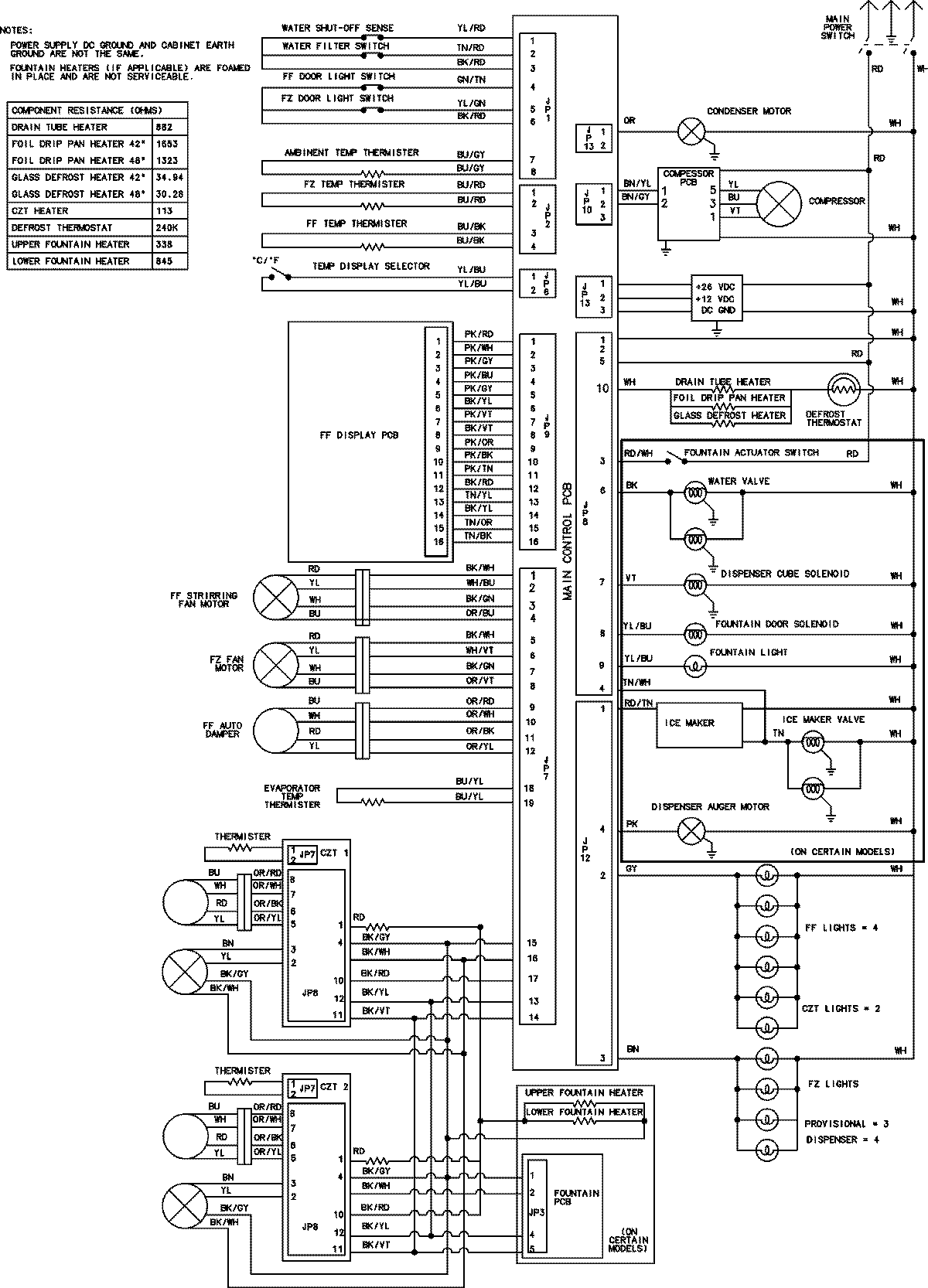
IF48BDCBOL 13 – WIRING INFORMATIONadmin2025-04-26T09:24:56+00:00IF48BDCBOL 13 – WIRING INFORMATION ProductsPositionProductNIMAY 15003859